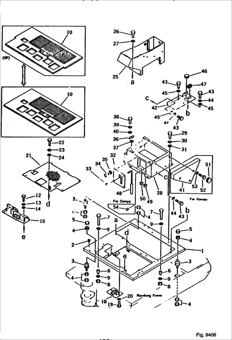
Запчасти Bobcat 100 MACHINE CAB (1/2)(W/ATTACHMENT PIPING) REVOLVING FRAME AND CAB

Схема запчастей Bobcat 100 - MACHINE CAB (1/2)(W/ATTACHMENT PIPING) REVOLVING FRAME AND CAB
FIT
1:1
100%

Артикул

Название

Примечание

Количество

1

FRAME Was 20S-973-2310

2

6637464

PLUG For canopy

3

6638521

CUSHION

4

6637109

NUT

5

6639463

NUT

6

6639458

BOSS

7

6637000

BOLT

8

6637110

NUT

9

6637160

WASHER

10

6646762

FLOOR for canopy

10

6646761

FLOOR for cab

12

6636967

BOLT

13

6637135

WASHER

14

6637157

WASHER

15

6648818

COVER

18

6638786

COVER

19

6636967

BOLT

20

6637135

WASHER

21

FLOOR Was 20S-973-2320

22

6636967

BOLT

23

6637135

WASHER

24

6637157

WASHER

25

6638783

BOX

26

6636967

BOLT

27

6637135

WASHER

28

6638782

BOX

29

6636967

BOLT

30

6637135

WASHER

31

6637157

WASHER

32

6638791

SHIELD

33

6638749

GROMMET

34

6637039

SCREW

35

6637133

WASHER

36

6638792

SHIELD

37

6638793

SHEET

38

6636954

BOLT

39

6637133

WASHER

40

6637155

WASHER

41

6638787

COVER

42

6638788

COVER

43

6636967

BOLT

44

6637135

WASHER

45

6637157

WASHER

46

6637760

CAP

47

6638750

CAP For canopy

47

6637855

GROMMET For cab

48

6638748

PIN

49

6637701

GROMMET

50

6637757

CAP

51

6637758

CAP For canopy

52

6636975

BOLT For canopy

53

6637135

WASHER For canopy

54

6637464

PLUG For canopy

Выбрано товаров: 53