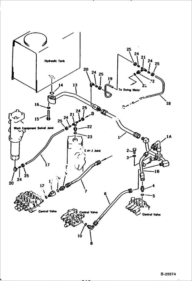
Запчасти Bobcat 100 HYDRAULIC PIPING (VALVE TO TANK) WORK EQUIPMENT CONTROL SYSTEM

Схема запчастей Bobcat 100 - HYDRAULIC PIPING (VALVE TO TANK) WORK EQUIPMENT CONTROL SYSTEM
FIT
1:1
100%

Артикул

Название

Примечание

Количество

1

6637501

HOSE

1

6638823

TUBE

1

6638825

TUBE

2

6636967

BOLT

3

6637135

WASHER

4

6637581

NIPPLE

5

6637410

O-RING

6

6637499

HOSE

7

6637497

HOSE

8

6639546

ELBOW

9

6637582

UNION nipple

10

6637411

O-RING

11

6639086

NIPPLE

12

6637410

O-RING

13

6638824

TUBE

14

6637357

O-RING

15

6636974

BOLT

16

6637135

WASHER

17

6637657

TUBE

18

6637658

TUBE

19

6637655

TUBE

20

6637669

ELBOW

21

6637671

TEE

22

6639088

BUSHING

23

6637410

O-RING

24

6637662

SLEEVE

25

6637665

NUT

Выбрано товаров: 27