Запчасти Bobcat 100 MARKS AND PLATES MARK PLATE, TOOL AND KIT

Схема запчастей Bobcat 100 - MARKS AND PLATES MARK PLATE, TOOL AND KIT
FIT
1:1
100%

Артикул

Название

Примечание

Количество

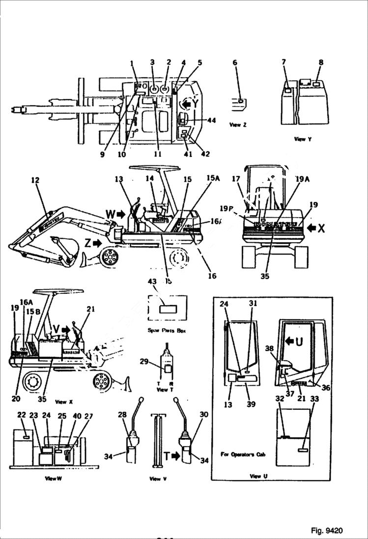
1

6637794

SHIELD instruction - fuel

2

6637785

SHIELD instruction - fuel tank

3

6639136

SHIELD caution - hydraulic filter

4

6637795

SHIELD caution - recommended oil

5

6637783

SHIELD, C hydraulic tank

6

6637772

PLATE, NA name - limited supply

6

6637320

SCREW rivet

7

6638941

SHIELD caution - fuel filter

8

6637793

SHIELD, C safety - radiator cap

9

6637781

DECAL caution - fuel tank

10

6642893

PLATE operating, travel & work equipment - for canopy

11

6637798

SHIELD operating - starting switch

12

6638944

SHIELD mark - Komatsu

13

6638960

CHART, OI

14

6642172

MARK plate - mark - Komatsu

15

6639638

SHIELD operating - machine cab stay

15

6638945

SHIELD accent

15

6638946

SHIELD accent

16

6638943

SHIELD plate - mark - PC30

16

6637806

MARK plate - symbol

17

6642964

PLATE safety

18

6637790

SHIELD, C plate - safety - engine cover

19

6638950

SHIELD plate - mark Komatsu

19

6638949

SHIELD plate - mark

19

6637805

PLATE MAR mark - Komatsu

20

6638943

SHIELD

21

6637801

MARK plate - Komatsu

22

6639642

DECAL operating - boom swing

23

6639636

SHIELD caution - track loading

24

6637787

SHIELD, C safety - track tension

25

6637736

SHIELD safety - swing lock lever

27

6637800

SHIELD operating - swing lock lever

28

6637779

SHIELD caution - before operating

29

6637738

SHIELD safety

30

6637741

SHIELD safety - inspection maintenance

31

6642968

PLATE operating - door lock

32

6640913

PLATE caution - center sash

33

6642892

PLATE operating - travel & work equipment - for cab

34

6637800

SHIELD operating - lock lever

35

6638953

SHIELD accent

36

6638948

SHIELD mark - door

37

6638947

SHIELD mark - door knob

38

6638951

SHIELD

39

6638952

SHIELD

40

6639647

SHIELD operating

41

6637789

SHIELD battery

42

6637788

SHIELD battery

43

6638959

TABLE spare parts

44

6642888

PLATE air cleaner

Выбрано товаров: 49