Запчасти Bobcat 100 CYLINDER HEAD COVER CYLINDER HEAD

Схема запчастей Bobcat 100 - CYLINDER HEAD COVER CYLINDER HEAD
FIT
1:1
100%

Артикул

Название

Примечание

Количество

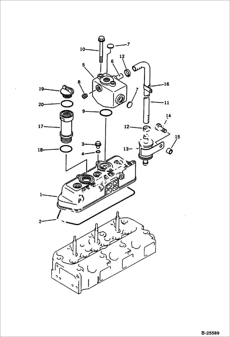
1

6641899

COVER

2

6636142

GASKET kit

3

6636597

PLUG bolt

4

6636820

O-RING kit

5

6641897

BREATHER assy

6

6641806

JOINT

7

6641989

PLUG

8

6641956

PLUG

9

6640989

O-RING kit

10

6641972

BOLT

11

6641898

HOSE

12

6640977

CLAMP

13

6641937

STRAINER

14

6636872

BOLT

15

6641889

SPACER

16

6636655

CLIP

17

6641932

FILLER

18

6636563

O-RING

19

6636595

CAP

20

6636824

O-RING

Выбрано товаров: 20