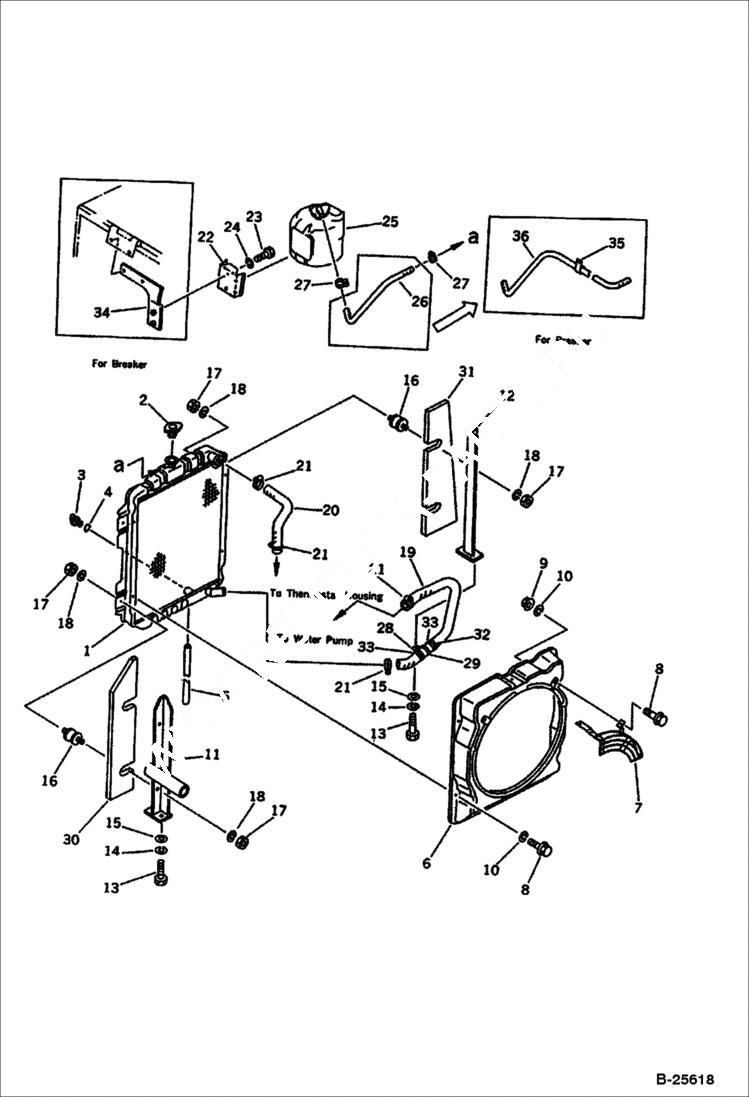
Запчасти Bobcat 100 RADIATOR AND PIPING ENGINE RELATED PARTS AND ELECTRICAL SYSTEM

Схема запчастей Bobcat 100 - RADIATOR AND PIPING ENGINE RELATED PARTS AND ELECTRICAL SYSTEM
FIT
1:1
100%

Артикул

Название

Примечание

Количество

1

6638609

CORE ASY

1

OIL COOLER See Illustration HYDRAULIC BREAKER/ SC1003 - for hydraulic breaker

2

6638610

CAP

3

6638219

COCK plug

4

6637333

O-RING

5

TUBE Was 07270-00821

6

6638616

SHIELD

7

NET Was 20S-03-21121

8

6637080

BOLT

9

6637116

NUT

10

6638611

COLLAR

11

BRACKET, L.H. Was 20S-03-31141

12

BRACKET, R.H. Was 20S-03-31151

13

6636967

BOLT

14

6637135

WASHER

15

6637157

WASHER

16

6638612

CUSHION

17

6637108

NUT

18

6637135

WASHER

19

6649953

HOSE

20

6638614

HOSE

21

6649140

CLAMP

22

6639898

BRACKET

23

6636953

BOLT

24

6637133

WASHER

25

6639897

TANK

26

6638618

HOSE

27

6637620

CLAMP

28

CLIP Was 20S-03-31240

29

6642944

BAND

30

SEAT Was 20S-03-31170

31

SEAT Was 20S-03-31161

32

SEAT Was 20S-03-31180

33

6637682

BAND

34

BRACKET Was 20S-970-3710

35

6637688

CLIP

36

HOSE Was 21E-03-11250

Выбрано товаров: 37