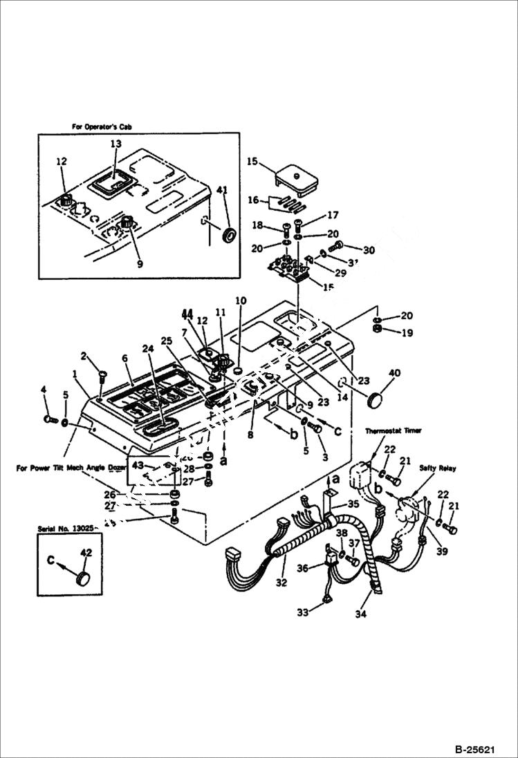
Запчасти Bobcat 100 INSTRUMENT PANEL ENGINE RELATED PARTS AND ELECTRICAL SYSTEM

Схема запчастей Bobcat 100 - INSTRUMENT PANEL ENGINE RELATED PARTS AND ELECTRICAL SYSTEM
FIT
1:1
100%

Артикул

Название

Примечание

Количество

1

PANEL (for cab) - Was 20S-06-31270

1

PANEL (for canopy) - Was 20S-06-31260

2

SCREW Was 01224-70520

3

6636958

BOLT

4

6637043

SCREW

5

6637156

WASHER

6

6638644

GAUGE assembly - cluster

7

SWITCH starting - Komatsu S/N 10875 & Abv. - Was 20S-06-31130

7

6637720

SWITCH starting - Komatsu S/N 10001-10874

8

6637756

CAP

9

6637755

CAP (for canopy)

9

6639264

SWITCH (for cab)

10

6637755

CAP

11

6639265

SWITCH lamp

12

6637755

CAP (for canopy)

12

6639266

SWITCH wiper (for cab)

13

6638642

ASHTRAY (for cab)

14

6637757

CAP

15

6638636

FUSE BOX

16

6637713

FUSE 20 amp

17

6637035

SCREW

18

6637034

SCREW

19

6637105

NUT

20

6637126

WASHER

21

6636951

BOLT

22

6637133

WASHER

23

6637755

CAP

24

PLATE Was 20S-06-21161

25

PLATE Was 20S-06-21171

26

SPACER Was 20S-06-21690

27

6637031

SCREW

28

6639901

WASHER

29

6638637

SHIELD

30

6637024

SCREW

31

6637125

WASHER

32

6658303

WIRE ASY

33

6639890

DIODE

34

6637712

FUSE 10 amp

35

6638640

CLIP

36

6665848

RELAY

37

6636951

BOLT

38

6637133

WASHER

39

6638654

WIRE

40

6637758

CAP (for canopy)

41

6637702

GROMMET (for cab)

42

6637756

CAP (for canopy) - Komatsu S/N 13025 & Abv.

43

PLATE (for power tilt mech angle) - Komatsu S/N 13025 & Abv. - Was 20T-910-4280

44

6641371

KEY

Выбрано товаров: 48