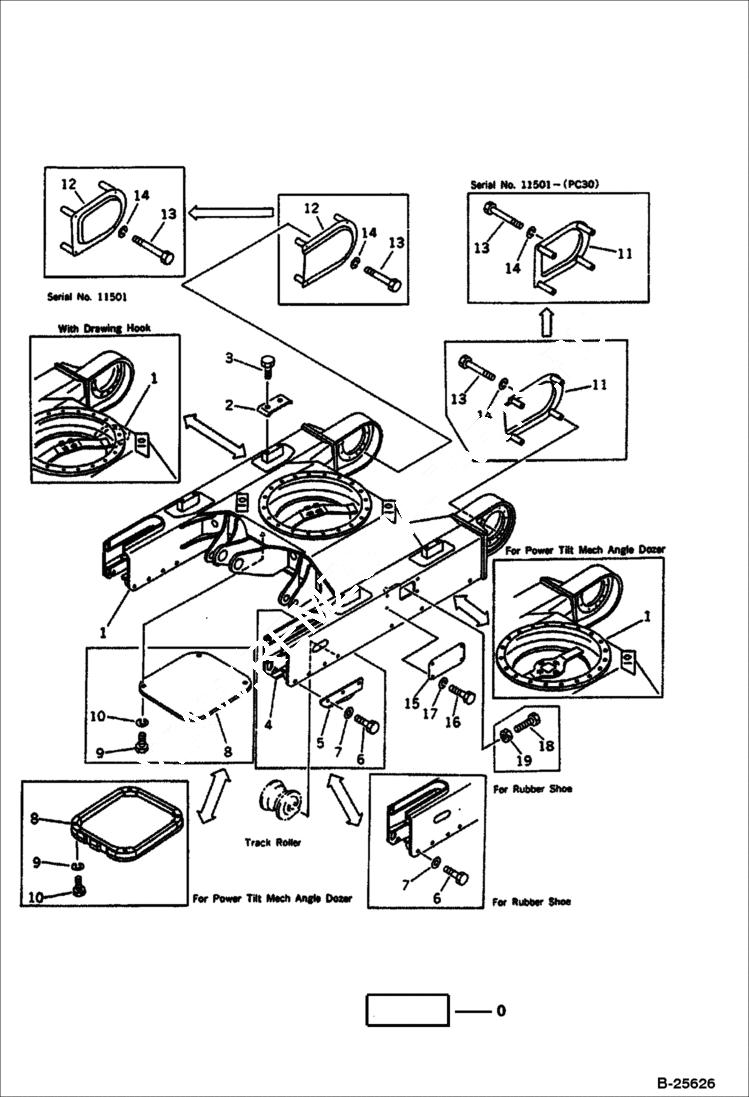
Запчасти Bobcat 100 TRACK FRAME UNDERCARRIAGE

Схема запчастей Bobcat 100 - TRACK FRAME UNDERCARRIAGE
FIT
1:1
100%

Артикул

Название

Примечание

Количество

0

FRAME GROUP (with drawing hook) - Was 20S-30-X2100

1

FRAME, TRACK (with drawing hook) - Was 20S-30-32510

1

FRAME, TRACK Komatsu S/N 13025 & Abv. - Was 20S-30-31112

1

FRAME, TRACK Komatsu S/N 12485-13024 - Was 20S-30-31111

1

FRAME, TRACK Komatsu S/N 10001-12484 - Was 20S-30-31110

1

FRAME, TRACK (for power tilt m/angle) - Komatsu S/N 13025 & Abv. - Was 20S-910-3150

2

6673057

PLATE

3

6636979

BOLT

4

GUARD L.H. inner and R.H. outer - Komatsu S/N 12485 & Abv. - Was 20S-30-31222

4

6652549

GUARD L.H. inner and R.H. outer - Komatsu S/N 10001-12484

5

GUARD L.H. outer and R.H. inner - Komatsu S/N 12485 & Abv. - Was 20S-30-31212

5

6652550

GUARD L.H. outer and R.H. inner - Komatsu S/N 10001-12484

6

6636991

BOLT

6

BOLT (for rubber shoe) - Was 01010-51425

7

6637159

WASHER

8

6638676

COVER

8

COVER (for power tilt mech angle) - Komatsu S/N 13025 & Abv. - Was 20T-910-4140

9

6636967

BOLT

9

6636971

BOLT (for power tilt mech angle) - Komatsu S/N 13025 & Abv.

10

6637135

WASHER

11

COVER, L.H. Komatsu S/N 11501 & Abv. - Was 20S-30-31330

11

COVER, L.H. Komatsu S/N 10001-11500 - Was 20S-30-31230

12

COVER, R.H. Komatsu S/N 11501 & Abv. - Was 20S-30-31340

12

COVER, R.H. Komatsu S/N 10001-11500 - Was 20S-30-31240

13

6640815

BOLT Komatsu S/N 11501 & Abv.

13

6636977

BOLT Komatsu S/N 10001-11500

14

6637135

WASHER

15

COVER Was 20S-30-31170

16

6636966

BOLT

17

6637135

WASHER

18

BOLT (for rubber shoe) - Was 20S-30-31180

19

NUT (for rubber shoe) - Was 01580-13326

Выбрано товаров: 0