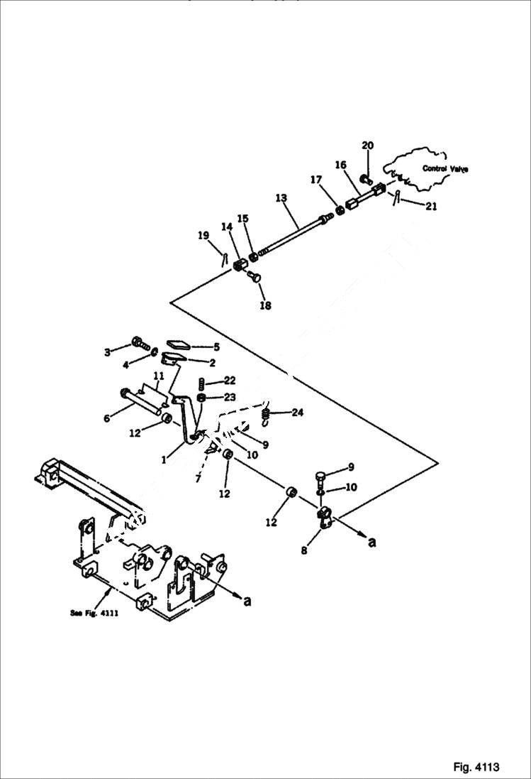
Запчасти Bobcat 100 TRAVEL SPEED PEDAL AND LINKAGE (6 WAY SHIFT PATTERN SPEC.) Komatsu S/N 13025 & Abv. CONTROL SYSTEM AND REVOLVING FRAME

Схема запчастей Bobcat 100 - TRAVEL SPEED PEDAL AND LINKAGE (6 WAY SHIFT PATTERN SPEC.) Komatsu S/N 13025 & Abv. CONTROL SYSTEM AND REVOLVING FRAME
FIT
1:1
100%

Артикул

Название

Примечание

Количество

1

LEVER Komatsu S/N 13025 & Abv. - Was 20T-43-47511

2

6641018

PEDAL Komatsu S/N 13025 & Abv.

3

6636957

BOLT Komatsu S/N 13025 & Abv.

4

6637134

WASHER Komatsu S/N 13025 & Abv.

5

6637901

CAP Komatsu S/N 13025 & Abv.

6

SHAFT Komatsu S/N 13025 & Abv. - Was 20T-43-47540

7

LEVER Komatsu S/N 13025 & Abv. - Was 20T-43-47530

8

LEVER Komatsu S/N 13025 & Abv. - Was 20T-43-47520

9

6636960

BOLT Komatsu S/N 13025 & Abv.

10

6637134

WASHER Komatsu S/N 13025 & Abv.

11

6637173

KEY Komatsu S/N 13025 & Abv.

12

6637894

BEARING Komatsu S/N 13025 & Abv.

13

6637300

ROD Komatsu S/N 13025 & Abv.

14

6638691

YOKE L.H. thread - Komatsu S/N 13025 & Abv.

15

NUT, L.H. THREAD Komatsu S/N 13025 & Abv. - Was 01508-41006

16

6638710

ROD Komatsu S/N 13025 & Abv.

17

6637113

NUT Komatsu S/N 13025 & Abv.

18

PIN Komatsu S/N 13025 & Abv. - Was 20T-43-48610

19

PIN, COTTER Komatsu S/N 13025 & Abv. - Was 04050-12012

20

PIN Komatsu S/N 13025 & Abv. - Was 20T-43-48620

21

6637193

PIN Komatsu S/N 13025 & Abv.

22

SCREW Komatsu S/N 13025 & Abv. - Was 01310-21032

23

6637108

NUT Komatsu S/N 13025 & Abv.

24

SPRING Komatsu S/N 13025 & Abv. - Was 111-33-32131

Выбрано товаров: 24