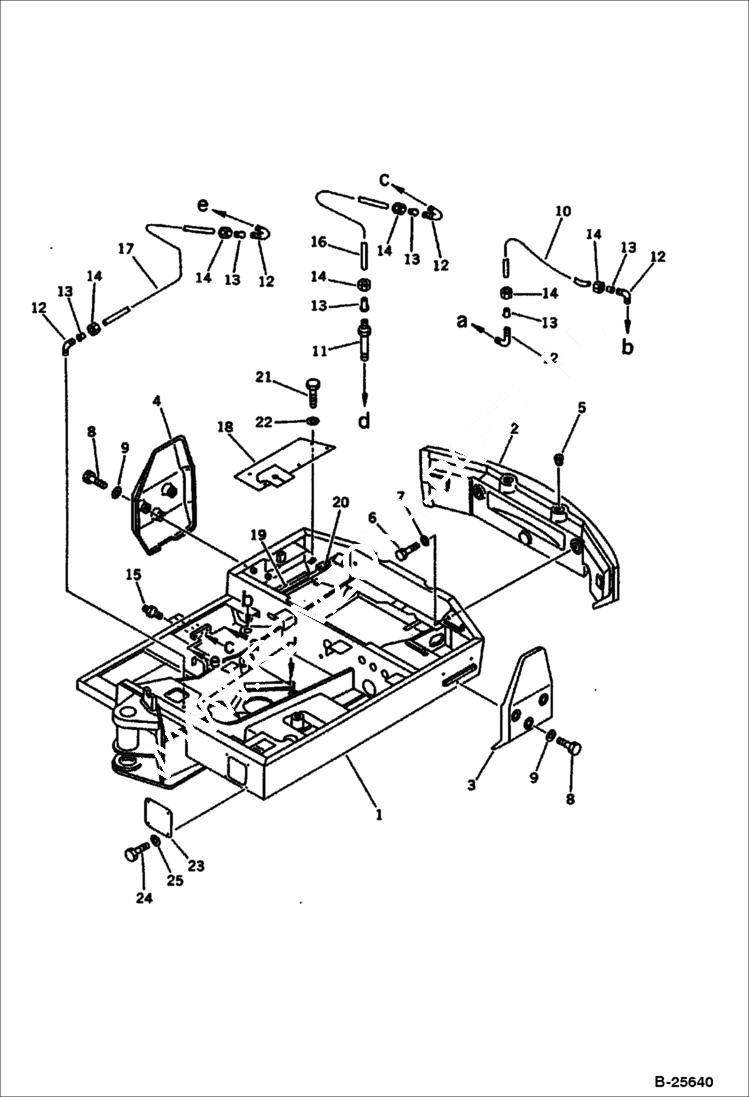
Запчасти Bobcat 100 REVOLVING FRAME Komatsu S/N 13025 & Abv. CONTROL SYSTEM AND REVOLVING FRAME

Схема запчастей Bobcat 100 - REVOLVING FRAME Komatsu S/N 13025 & Abv. CONTROL SYSTEM AND REVOLVING FRAME
FIT
1:1
100%

Артикул

Название

Примечание

Количество

1

FRAME, REVOLVING Komatsu S/N 13025 & Abv. - Was 20S-46-31113

2

WEIGHT, COUNTER Was 20S-46-31311

3

6658645

CTRWGT LH Komatsu S/N 13025 & Abv.

4

6657723

CTRWGT RH Komatsu S/N 13025 & Abv.

5

6637468

PLUG

6

6637001

BOLT

7

6637161

WASHER

8

6636986

BOLT

9

6637158

WASHER

10

6646759

TUBE

11

6638296

CONNECTOR Komatsu S/N 13025 & Abv.

12

6638567

ELBOW Komatsu S/N 13025 & Abv.

13

6637661

SLEEVE Komatsu S/N 13025 & Abv.

14

6637664

NUT Komatsu S/N 13025 & Abv.

15

6637430

FITTING Komatsu S/N 13025 & Abv.

16

TUBE Komatsu S/N 13025 & Abv. - Was 20T-46-41190

17

6639465

TUBE

18

COVER Komatsu S/N 13025 & Abv. - Was 20S-46-31212

19

PACKING Was 20S-46-31220

20

PACKING Was 20S-46-31230

21

6636966

BOLT

22

6637157

WASHER

23

COVER Was 20S-46-31240

24

6636958

BOLT

25

6637156

WASHER

Выбрано товаров: 25