Запчасти Bobcat 100 TRAVEL MOTOR (1/2) Komatsu S/N 10001-11500 WORK EQUIPMENT CONTROL SYSTEM

Схема запчастей Bobcat 100 - TRAVEL MOTOR (1/2) Komatsu S/N 10001-11500 WORK EQUIPMENT CONTROL SYSTEM
FIT
1:1
100%

Артикул

Название

Примечание

Количество

0

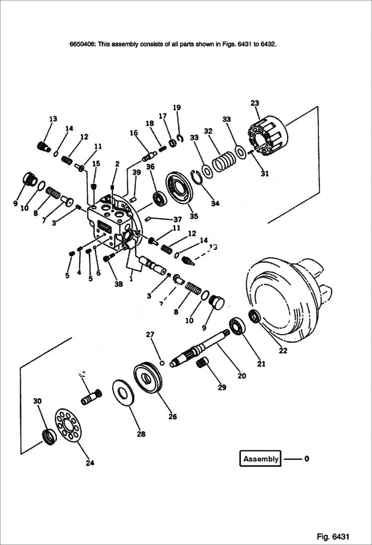
6650406

TRAVELMTR Komatsu S/N 10001-11500

1

FLANGE KIT Komatsu S/N 10001-11500 - Was TZ312B210101-A

2

PLUG Komatsu S/N 10001-11500 - Was TZMB700-060

3

ORIFICE Komatsu S/N 10001-11500 - Was TZ300B2044-00

4

ORIFICE Komatsu S/N 10001-11500 - Was TZ121F2070-00

5

PLUG Komatsu S/N 10001-11500 - Was TZGM1-8

6

6642071

BALL Komatsu S/N 10001-11500

7

STOPPER Komatsu S/N 10001-11500 - Was TZ326A205200-A

8

6641684

SPRING Komatsu S/N 10001-11500

9

6641680

PLUG Komatsu S/N 10001-11500

10

6669517

ORING (kit) - Komatsu S/N 10001-11500

11

VALVE Komatsu S/N 10001-11500 - Was TZ300A2054-00

12

6641683

SPRING Komatsu S/N 10001-11500

13

PLUG Komatsu S/N 10001-11500 - Was TZ300A2053-00

14

6637370

O-RING (kit) - Komatsu S/N 10001-11500

15

PLUG Komatsu S/N 10001-11500 - Was TZGM1-4

16

VALVE Komatsu S/N 10001-11500 - Was TZ200B2073-00

17

6641705

STOPPER Komatsu S/N 10001-11500

18

SPRING Komatsu S/N 10001-11500 - Was TZ300B2043-01

19

6641708

RING Komatsu S/N 10001-11500

20

6669498

SHAFT Komatsu S/N 10001-11500

21

6642074

BEARING Komatsu S/N 10001-11500

22

6669492

OIL SEAL (kit) - Komatsu S/N 10001-11500

23

6669499

CYL BLOCK Komatsu S/N 10001-11500

24

PLATE retainer - Komatsu S/N 10001-11500 - Was TZ310B2007-00

25

6641714

PISTON (9 PIS) - Komatsu S/N 10001-11500

26

PLATE swash - Komatsu S/N 10001-11500 - Was TZ310B200301-A

27

6674678

BALL Komatsu S/N 10001-11500 - Was TZJB1501-18

28

6657722

PLATE Komatsu S/N 10001-11500

29

PISTON Komatsu S/N 10001-11500 - Was TZ310B2070-01

30

BOWL Komatsu S/N 10001-11500 - Was TZ310B2008-00

31

6669515

PIN Komatsu S/N 10001-11500

32

SPRING Komatsu S/N 10001-11500 - Was TZ550A2014-01

33

WASHER Komatsu S/N 10001-11500 - Was TZ310B2010-00

34

RING Komatsu S/N 10001-11500 - Was TZ1RTW-32

35

6669503

TIME PLAT Komatsu S/N 10001-11500

36

6669056

BALL BRG. Komatsu S/N 10001-11500

37

PIN Komatsu S/N 10001-11500 - Was TZJB1354-4-10

38

6642022

BOLT Komatsu S/N 10001-11500

39

PIN Komatsu S/N 10001-11500 - Was TZJB1354-8-16

Выбрано товаров: 40