Запчасти Bobcat 100 BOOM SWING BRACKET WORK EQUIPMENT

Схема запчастей Bobcat 100 - BOOM SWING BRACKET WORK EQUIPMENT
FIT
1:1
100%

Артикул

Название

Примечание

Количество

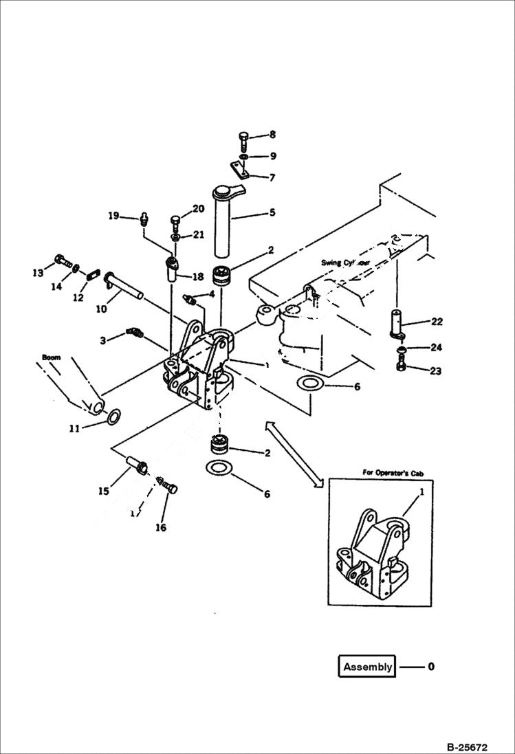
0

SWING BRACKET ASS'Y (for canopy) - Komatsu S/N 13025 & Abv. - Was 20S-70-00451

0

SWING BRACKET ASS'Y (for canopy) - Komatsu S/N 10001-13024 - Was 20S-70-00450

1

SWING BRACKET ASS'Y (for cab) - Komatsu S/N 13025 & Abv. - Was 20S-70-00461

1

SWING BRACKET ASS'Y (for cab) - Komatsu S/N 10001-13024 - Was 20S-70-00460

2

6664274

BUSHING

3

6637431

FITTING

4

6637430

FITTING

5

6655970

PIN

6

6649181

SPACER 0.5mm

6

SPACER 1.0mm - Was 205-70-51520

7

PLATE Was 20S-70-31580

8

6636981

BOLT

9

6637158

WASHER

10

6664270

PIN

11

6638597

SHIM 1.0mm

12

6653551

PLATE

13

6636980

BOLT

14

6637158

WASHER

15

6664272

PIN

16

6636979

BOLT

17

SPACER Was 20S-70-31180

18

6664271

PIN

19

6637430

FITTING

20

6636980

BOLT

21

SPACER Was 20S-70-31190

22

6664273

PIN

23

6636980

BOLT

24

SPACER Was 20S-70-31190

Выбрано товаров: 28