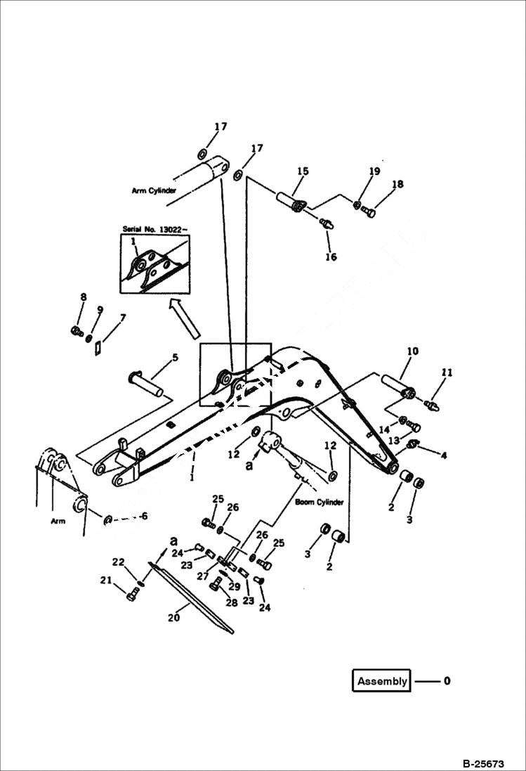
Запчасти Bobcat 100 BOOM WORK EQUIPMENT

Схема запчастей Bobcat 100 - BOOM WORK EQUIPMENT
FIT
1:1
100%

Артикул

Название

Примечание

Количество

0

BOOM ASS'Y Komatsu S/N 13025 & Abv. - Was 20S-70-00412

0

BOOM ASS'Y Komatsu S/N 12485 -13024 - Was 20S-70-00411

0

BOOM ASS'Y Komatsu S/N 10001-12484 - Was 20S-70-00410

1

BOOM

2

BUSHING Was 6649180 - A

3

6637533

SEAL, DUS

4

6637431

FITTING

5

6653549

PIN

6

6638597

SHIM 1.0mm

7

6653551

PLATE

8

6636979

BOLT

9

6637158

WASHER

10

6662642

PIN

11

6637430

FITTING

12

6638597

SHIM 1.0mm

13

6636980

BOLT

14

SPACER Was 20S-70-31180

15

6662642

PIN

16

6637430

FITTING

17

6638597

SHIM 1.0mm

18

6636980

BOLT

19

SPACER Was 20S-70-31180

20

COVER Was 20S-70-31720

21

6636966

BOLT

22

6637157

WASHER

23

PAD Komatsu S/N 12204 & Abv. - Was 21X-70-11410

23

PAD Komatsu S/N 10001-12203 - Was 20U-70-11261

24

COLLAR Komatsu S/N 12204 & Abv. - Was 21X-70-11420

25

6636952

BOLT

26

6637155

WASHER

27

BRACKET Was 20S-70-31710

28

6636956

BOLT

29

6637156

WASHER Komatsu S/N 12204 & Abv.

Выбрано товаров: 33