Качественные детали и логистика
Оригинальные и аналоговые запчасти с доставкой по России, Казахстану и Беларуси
©2022 PartSell ООО "Система" ИНН 2463123282 ОГРН 1212400004838
Центральный офис: г. Красноярск, Академика Киренского, д.87, пом.4
Телефон: 8 (800) 777-65-74 Email: zakaz@partsell.ru
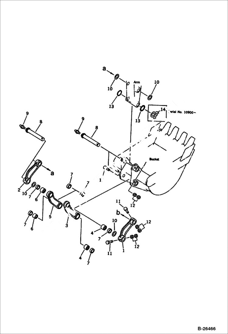
BUCKET LINK
№
Артикул
Название
Примечание
Количество
1
6665541
LINK L.H.
2
6674148
LINK R.H.
3
6673887
LINK ASSY L.H.
4
6638897
BUSHING
5
6673888
LINK ASSY R.H.
6
7
6637532
SEAL, DUST
8
6638595
PIN
9
6637430
FITTING
10
6638598
SPACER 1.0mm
11
BOLT Komatsu S/N 12204 & Abv. - Was 01018-11285
6636990
BOLT Komatsu S/N 10001-12203
12
6637109
NUT
13
6637867
O-RING
14
6674284
PIN spacer - 1.0 mm - Komatsu S/N 10900 & Abv.
Выбрано товаров: 0