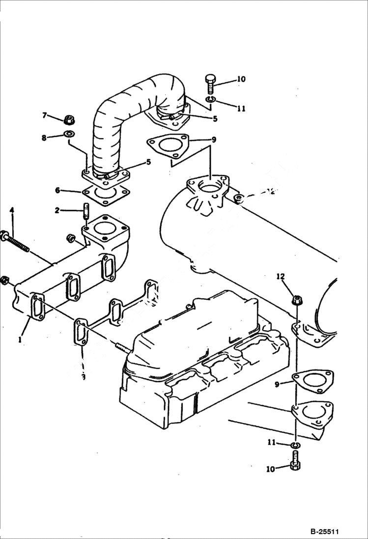
Запчасти Bobcat 100 EXHAUST MANIFOLD CYLINDER HEAD

Схема запчастей Bobcat 100 - EXHAUST MANIFOLD CYLINDER HEAD
FIT
1:1
100%

Артикул

Название

Примечание

Количество

1

6641993

MANIFOLD

2

6636877

STUD

3

6640973

GASKET

4

6641847

BOLT

5

6636804

CLAMP

6

6636619

GASKET

7

6636884

NUT

8

6640982

WASHER

9

6640955

GSKET KIT

10

6641977

BOLT

11

6640983

WASHER

12

6636885

NUT

Выбрано товаров: 12