Качественные детали и логистика
Оригинальные и аналоговые запчасти с доставкой по России, Казахстану и Беларуси
©2022 PartSell ООО "Система" ИНН 2463123282 ОГРН 1212400004838
Центральный офис: г. Красноярск, Академика Киренского, д.87, пом.4
Телефон: 8 (800) 777-65-74 Email: zakaz@partsell.ru
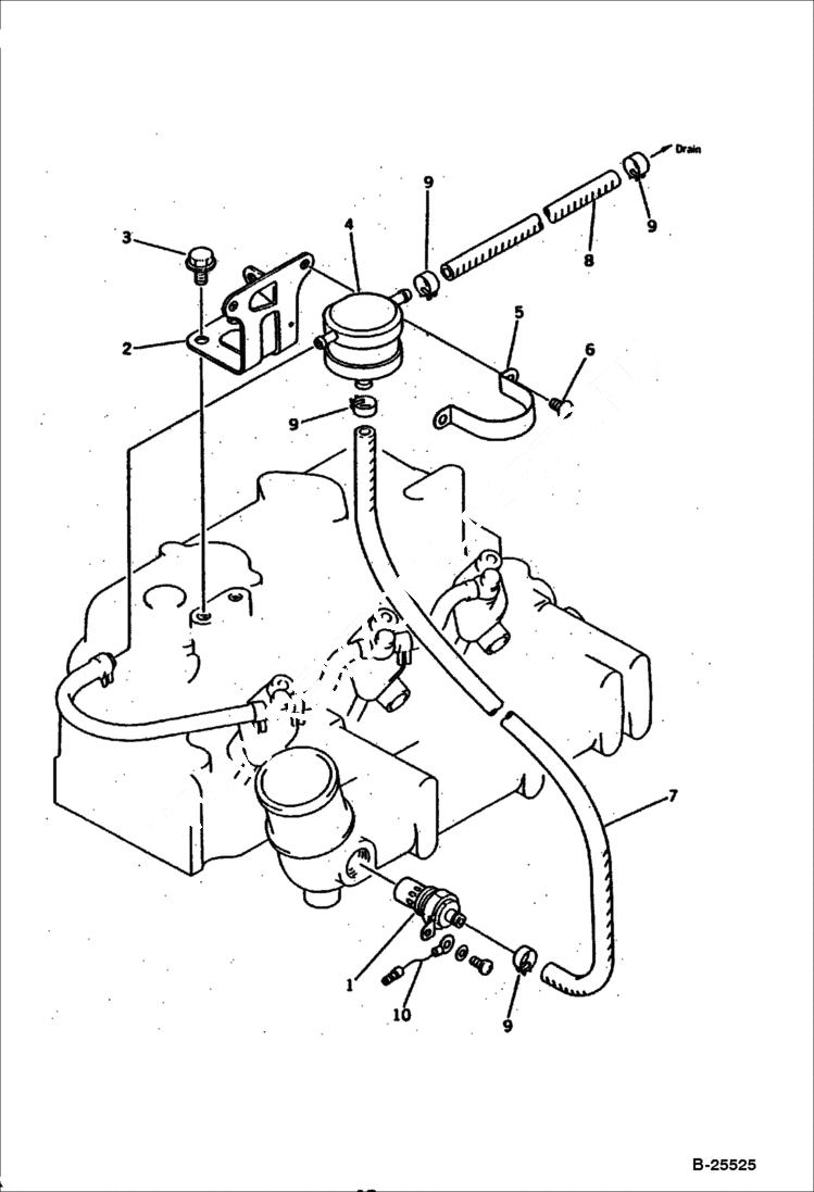
THERMOSTART
№
Артикул
Название
Примечание
Количество
1
6640948
PLUG
2
6636135
CLAMP bracket
3
6636847
BOLT
4
6636574
TANK
5
6636608
BAND
6
6646191
SCREW
7
6640936
HOSE
8
6640970
HOSE ASSY
9
6636587
CLIP
10
6636549
WIRE
Выбрано товаров: 0