Качественные детали и логистика
Оригинальные и аналоговые запчасти с доставкой по России, Казахстану и Беларуси
©2022 PartSell ООО "Система" ИНН 2463123282 ОГРН 1212400004838
Центральный офис: г. Красноярск, Академика Киренского, д.87, пом.4
Телефон: 8 (800) 777-65-74 Email: zakaz@partsell.ru
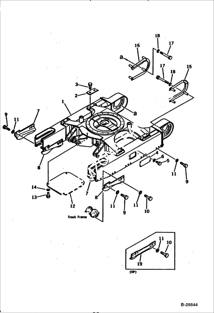
TRACK FRAME (Komatsu S/N 6001-8418)
№
Артикул
Название
Примечание
Количество
1
6638675
FRAME, TR track
2
6638550
SHIELD
3
6636979
BOLT
4
6638559
COVER
5
6636966
6
6637135
WASHER
7
6638680
8
6638679
9
6636992
BOLT (OP)
10
6636993
11
6637159
12
6638676
13
6636965
14
15
6638677
COVER LH
16
6638678
COVER RH
17
6636977
18
19
GUARD (OP) - Was 20S-30-11530
Выбрано товаров: 0