Качественные детали и логистика
Оригинальные и аналоговые запчасти с доставкой по России, Казахстану и Беларуси
©2022 PartSell ООО "Система" ИНН 2463123282 ОГРН 1212400004838
Центральный офис: г. Красноярск, Академика Киренского, д.87, пом.4
Телефон: 8 (800) 777-65-74 Email: zakaz@partsell.ru
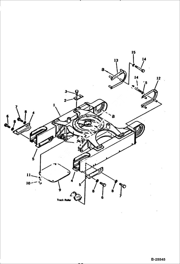
TRACK FRAME (S/N 8419-)
№
Артикул
Название
Примечание
Количество
1
FRAME TRACK Was 20S-30-21112
2
6638550
SHIELD
3
6636979
BOLT
4
GUARD Was 20S-30-21161
5
GUARD Was 20S-30-21151
6
6636992
7
8
6637159
WASHER
9
6638676
COVER
10
6636965
11
6637135
12
6638677
COVER LH
13
6638678
COVER RH
14
6636977
15
Выбрано товаров: 0