Запчасти Bobcat 100 TRACK ROLLER UNDERCARRIAGE

Схема запчастей Bobcat 100 - TRACK ROLLER UNDERCARRIAGE
FIT
1:1
100%

Артикул

Название

Примечание

Количество

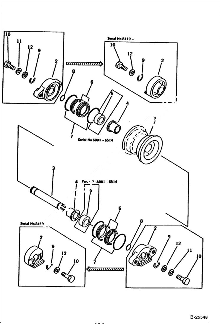
1

6653477

TRACK R A Komatsu S/N 6001-8514 - Was 6637810 - A

1

TRACK ROLLER ASSY Komatsu S/N 6515-8418 - Was 10E-30-00052

1

TRACK ROLLER ASSY Komatsu S/N 8419- Was 20S-30-00010

1

6673837

ROLLER

1

6637813

ROLLER Komatsu S/N 6001-8418

2

6638553

COLLAR Komatsu S/N 6001-6514

2

COLLAR Komatsu S/N 6515-8418 - Was 20S-30-21310

2

6638254

COLLAR Komatsu S/N 8419-

3

6637814

SHAFT

4

6637815

BUSHING

5

6637816

COLLAR Komatsu S/N 6001-6514

6

6640845

RING ASSY

6

6642178

RING ASSY

6

6637843

SEAL

7

6642179

O-RING ASSEMBLY

7

6637842

O-RING

8

6637342

O-RING

9

6640872

RING,SNAP

10

6636992

BOLT

11

6637137

WASHER Komatsu S/N 6001-8418

12

6637159

WASHER

Выбрано товаров: 21