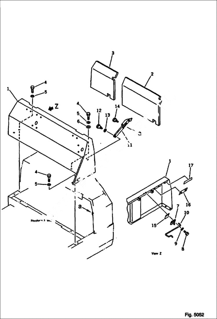
Запчасти Bobcat 116 MACHINERY COMPARTMENT 2/2 GUARD

Схема запчастей Bobcat 116 - MACHINERY COMPARTMENT 2/2 GUARD
FIT
1:1
100%

Артикул

Название

Примечание

Количество

1

6642924

COVER ASSEMBLY

1

6639467

COVER

2

6639468

SHEET

3

6639469

SHEET

4

6636968

BOLT

5

6637157

WASHER

6

6637158

WASHER

7

6638758

BRACKET

8

6636966

BOLT

9

6637157

WASHER

10

6638756

BAR, TORSION

11

6639472

STAY

12

6638572

BOLT

13

6637423

SEAL

14

6638573

BOLT

15

6642931

SHEET

16

6642930

SHEET

17

6642927

SHEET

Выбрано товаров: 18