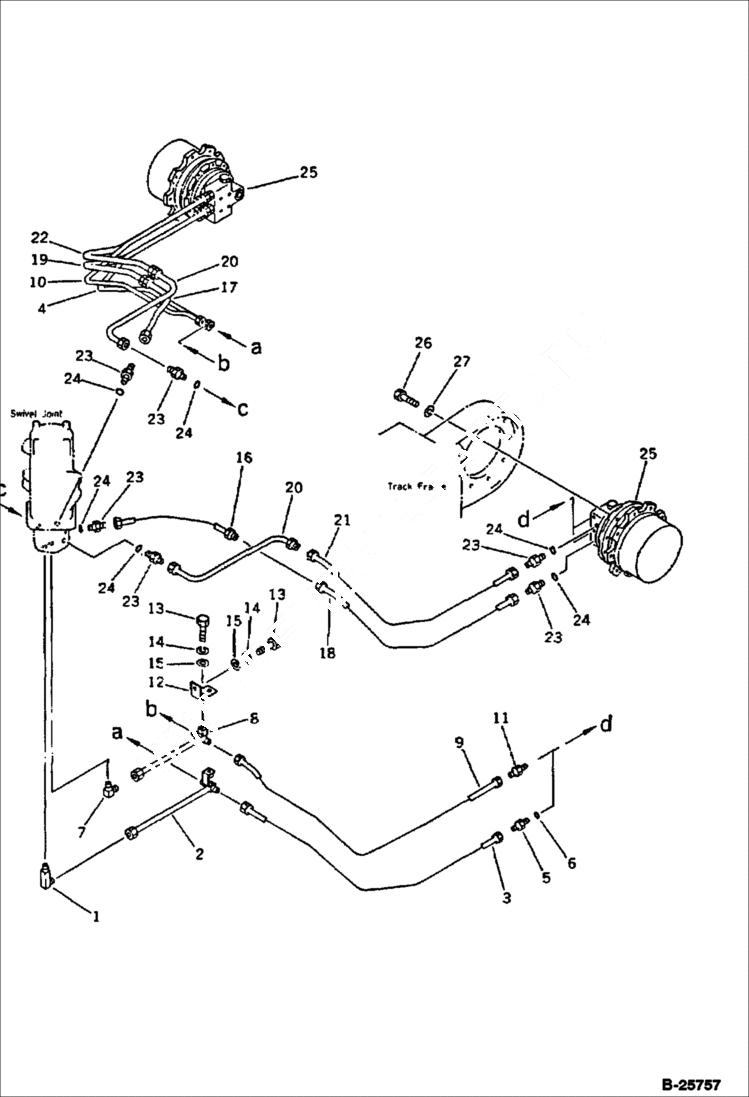
Запчасти Bobcat 116 HYDRAULIC PIPING Travel Motor Line Track Side WORK EQUIPMENT CONTROL SYSTEM

Схема запчастей Bobcat 116 - HYDRAULIC PIPING Travel Motor Line Track Side WORK EQUIPMENT CONTROL SYSTEM
FIT
1:1
100%

Артикул

Название

Примечание

Количество

1

6639892

ELBOW

2

6638858

TUBE

3

6639592

TUBE L.H.

4

6639593

TUBE R.H.

5

6639397

NIPPLE

6

6637414

O-RING

7

6639131

ELBOW

8

6638852

TUBE

9

6639590

TUBE L.H.

10

6639591

TUBE R.H.

11

6637888

NIPPLE

12

6638853

SHIELD

13

6636967

BOLT

14

6637135

WASHER

15

6637157

WASHER

16

6638846

TUBE

17

6638848

TUBE

18

6639588

TUBE L.H.

19

6639589

TUBE R.H.

20

6638843

TUBE

21

6639586

TUBE L.H.

22

6639587

TUBE R.H.

23

6637581

NIPPLE union

24

6637417

O-RING

25

6638812

MOTOR ASY travel

26

6636980

BOLT

27

6637136

WASHER

Выбрано товаров: 27