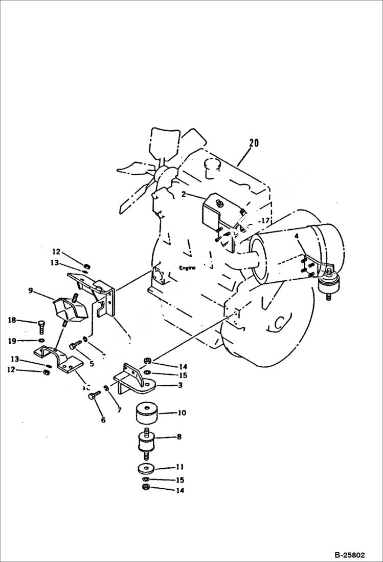
Запчасти Bobcat 116 ENGINE MOUNTING PARTS ENGINE RELATED PARTS AND ELECTRICAL SYSTEM

Схема запчастей Bobcat 116 - ENGINE MOUNTING PARTS ENGINE RELATED PARTS AND ELECTRICAL SYSTEM
FIT
1:1
100%

Артикул

Название

Примечание

Количество

1

6638963

BRACKET

2

6638964

BRACKET

3

6638965

BRACKET

4

6638966

BRACKET

5

6636968

BOLT

6

6636970

BOLT

7

6637135

WASHER

8

6658132

CUSHION

9

6638529

CUSHION

10

6638968

STOPPER

11

SPACER Was 20T-01-35211

12

6637109

NUT

13

6637158

WASHER

14

6637110

NUT

15

6637160

WASHER

16

BRACKET, L.H. Was 20T-01-35180

17

BRACKET R.H. - Was 20T-01-35190

18

6636981

BOLT

19

6637158

WASHER

20

6652056

ENGINE-6

Выбрано товаров: 20