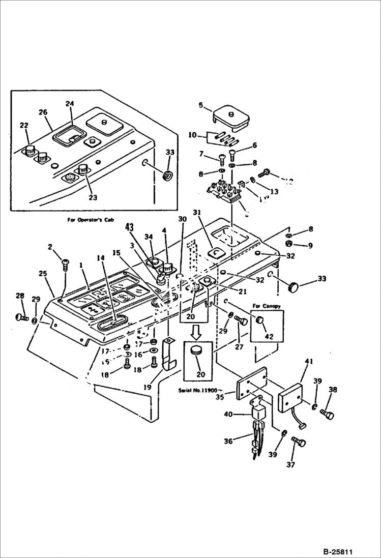
Запчасти Bobcat 116 INSTRUMENT PANEL ENGINE RELATED PARTS AND ELECTRICAL SYSTEM

Схема запчастей Bobcat 116 - INSTRUMENT PANEL ENGINE RELATED PARTS AND ELECTRICAL SYSTEM
FIT
1:1
100%

Артикул

Название

Примечание

Количество

1

6638644

GAUGE Komatsu S/N 11900 & Abv

1

6642898

GAUGE Komatsu S/N 10001-11899

2

SCREW Was 01224-70520

3

SWITCH, STARTING Komatsu S/N 10736 & Abv. - Was 20S-06-31130

3

6637720

SWITCH starting - Komatsu S/N 10001-10735

4

6639265

SWITCH lamp

5

6638636

FUSE BOX

6

6637035

SCREW

7

6637034

SCREW

8

6637126

WASHER

9

6637105

NUT

10

6637713

FUSE 20A

11

6638637

SHIELD

12

6637024

SCREW

13

6637125

WASHER

14

PLATE Was 20S-06-21161

15

PLATE Was 20S-06-21171

16

6637031

SCREW

17

6639901

WASHER

18

SPACER Was 20S-06-21690

19

6638640

CLIP

20

6637756

CAP Komatsu S/N 11900 & Abv

20

6639935

SIGNAL, HEATER Komatsu S/N 10001-11899

21

6637755

CAP for canopy

22

6639266

SWITCH wiper - for cab

23

6639264

SWITCH heater - for cab

24

6638642

ASHTRAY for cab

25

PANEL (FOR CANOPY) Was 20S-06-31260

26

PANEL (FOR CAB) Was 20S-06-31270

27

6636958

BOLT

28

6637043

SCREW

29

6637156

WASHER

30

6637755

CAP

31

6637757

CAP

32

6637755

CAP

33

6637702

GROMMET

34

6637755

CAP for canopy

35

BRACKET Komatsu S/N 10834 & Abv - Was 20T-06-41460

36

WIRE ASSY Komatsu S/N 10834 & Abv - Was 20T-06-41160

37

6636954

BOLT Komatsu S/N 10834 & Abv. - Was 01010-50620

38

6636955

BOLT Komatsu S/N 10834 & Abv.

39

6637133

WASHER Komatsu S/N 10834 & Abv

40

RELAY Komatsu S/N 10834 & Abv - Was 600-815-7530

41

TIMER Komatsu S/N 10834 & Abv - Was 600-815-7520

42

6637756

CAP for canopy - Komatsu S/N 12141 & Abv

43

6640722

KEY

Выбрано товаров: 46