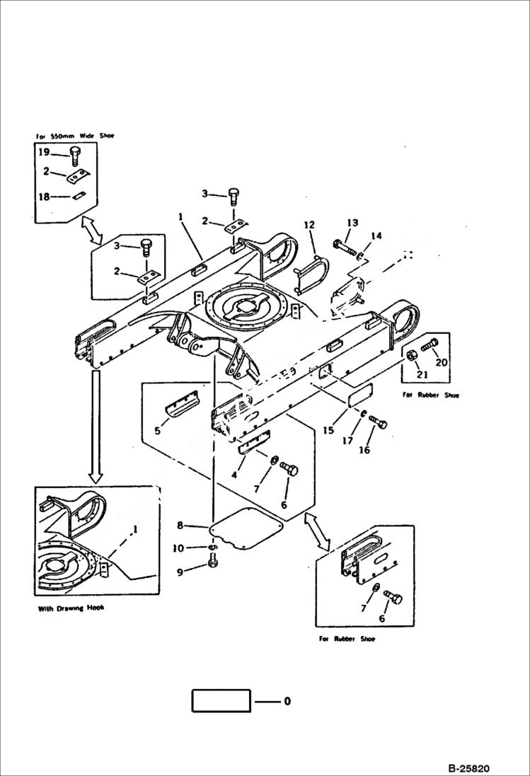
Запчасти Bobcat 116 TRACK FRAME UNDERCARRIAGE

Схема запчастей Bobcat 116 - TRACK FRAME UNDERCARRIAGE
FIT
1:1
100%

Артикул

Название

Примечание

Количество

0

FRAME, TRACK (W/HOOK) Komatsu S/N 11574 & Abv - Was 20T-30-42111

0

FRAME, TRACK (W/HOOK) Komatsu S/N 10001-11573 - Was 20T-30-42110

1

FRAME, TRACK Komatsu S/N 11574 & Abv - Was 20T-30-41111

1

FRAME, TRACK Komatsu S/N 10001-11573 - Was 20T-30-41110

2

6673057

PLATE

3

6636979

BOLT

3

6636978

BOLT for 550 mm shoe

4

GUARD, L.H. OUTSIDE AND R.H. INSIDE Komatsu S/N 11574 & Abv - Was 20T-30-41312

4

GUARD, L.H. OUTSIDE AND R.H. INSIDE Komatsu S/N 10001-11573 - Was 20T-30-41311

5

GUARD, R.H. OUTSIDE AND L.H. INSIDE Komatsu S/N 11574 & Abv - Was 20T-30-41322

5

GUARD, R.H. OUTSIDE AND L.H. INSIDE Komatsu S/N 10001-11573 - Was 20T-30-41321

6

6636997

BOLT

6

BOLT, (FOR RUBBER SHOE) Was 01010-51630

7

6637160

WASHER

8

6638676

COVER

9

6636965

BOLT

10

6637135

WASHER

11

COVER, L.H. Komatsu S/N 11900 & Abv - Was 20S-30-31330

11

COVER, L.H. Komatsu S/N 10001-11899 - Was 20S-30-31230

12

COVER, R.H. Komatsu S/N 11900 & Abv - Was 20S-30-31340

12

COVER, R.H. Komatsu S/N 10001-11899 - Was 20S-30-31240

13

6640815

BOLT Komatsu S/N 11900 & Abv

13

6636977

BOLT Komatsu S/N 10001-11899

14

6637135

WASHER

15

COVER Was 20S-30-31170

16

6636966

BOLT

17

6637135

WASHER

18

PLATE (FOR 550 mm SHOE) Was 20T-30-32260

19

6636981

BOLT

20

BOLT, (FOR RUBBER SHOE) Was 20S-30-31180

21

NUT for rubber shoe - Was 01580-13326

Выбрано товаров: 31