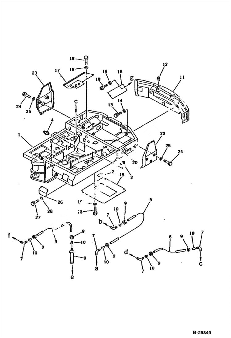
Запчасти Bobcat 116 REVOLVING FRAME (FOR BREAKER AND ATTACHMENT) Komatsu S/N 11900 & Abv. CONTROL SYSTEM AND REVOLVING FRAME

Схема запчастей Bobcat 116 - REVOLVING FRAME (FOR BREAKER AND ATTACHMENT) Komatsu S/N 11900 & Abv. CONTROL SYSTEM AND REVOLVING FRAME
FIT
1:1
100%

Артикул

Название

Примечание

Количество

1

FRAME, REVOLVING Komatsu S/N 11900 & Abv - Was 20T-46-42112

2

6637703

GROMMET

3

TUBE Komatsu S/N 11900 & Abv - Was 20U-46-11310

4

6637430

FITTING Komatsu S/N 11900 & Abv

5

6639465

TUBE

6

6646759

TUBE

7

6638567

ELBOW Komatsu S/N 11900 & Abv

8

6638296

CONNECTOR Komatsu S/N 11900 & Abv

9

6637664

NUT Komatsu S/N 11900 & Abv

10

6637661

SLEEVE Komatsu S/N 11900 & Abv

11

WEIGHT, COUNTER Was 20S-46-31311

12

6637468

PLUG

13

6637001

BOLT

14

6637161

WASHER

15

COVER Komatsu S/N 11900 & Abv - Was 20T-46-41142

16

COVER Komatsu S/N 11900 & Abv - Was 20T-46-41270

17

COVER Komatsu S/N 11900 & Abv - Was 20T-46-41171

18

6636966

BOLT

19

6637157

WASHER

20

PACKING Was 20T-46-41180

21

SEAT Komatsu S/N 11900 & Abv - Was 20T-46-31161

22

6658645

CTRWGT LH Komatsu S/N 12141 & Abv

23

6657723

CTRWGT RH Komatsu S/N 12141 & Abv

24

6636986

BOLT

25

6637158

WASHER

26

COVER Komatsu S/N 11900 & Abv - Was 20T-46-41250

27

6636958

BOLT

28

6637156

WASHER

Выбрано товаров: 28