Качественные детали и логистика
Оригинальные и аналоговые запчасти с доставкой по России, Казахстану и Беларуси
©2022 PartSell ООО "Система" ИНН 2463123282 ОГРН 1212400004838
Центральный офис: г. Красноярск, Академика Киренского, д.87, пом.4
Телефон: 8 (800) 777-65-74 Email: zakaz@partsell.ru
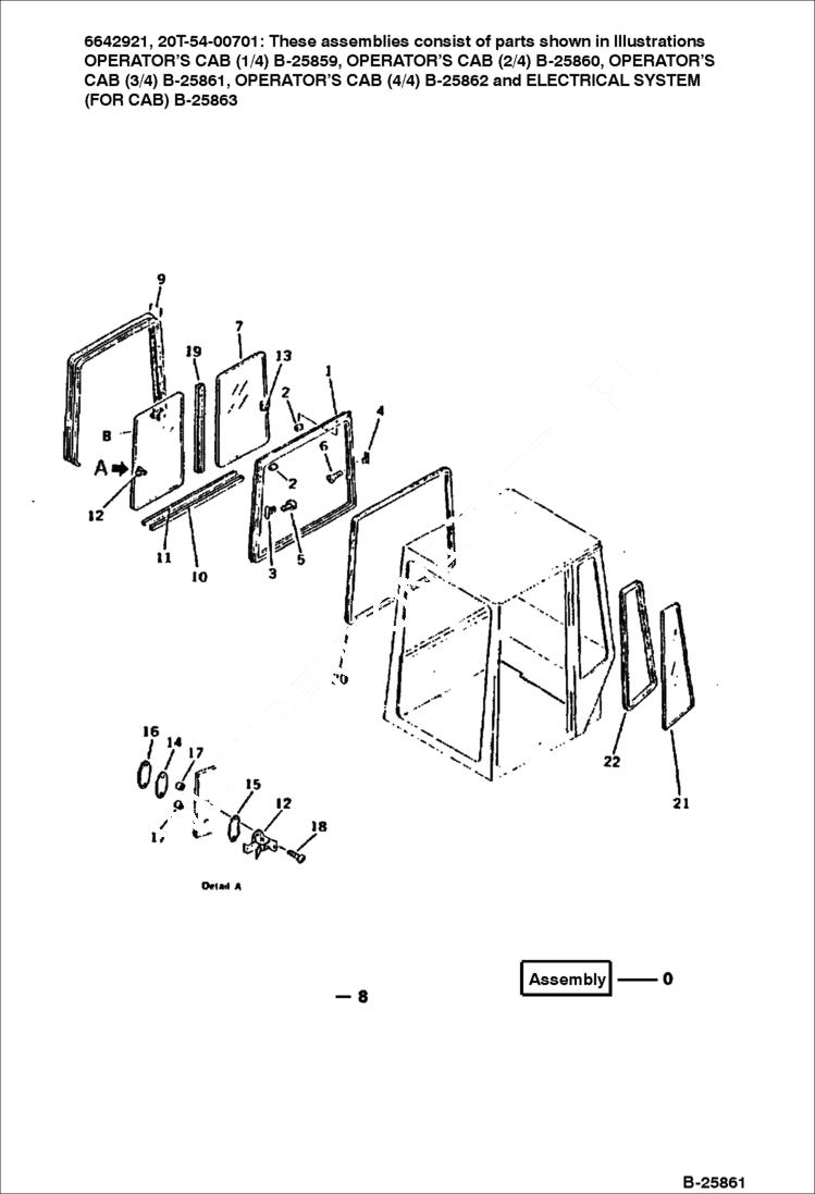
OPERATORS CAB (3/4)
№
Артикул
Название
Примечание
Количество
0
OPERATOR'S CAB ASSY Komatsu S/N 10795 & Abv - Was 20T-54-00750
OPERATOR'S CAB ASSY Komatsu S/N 10001-10794 - Was 20T-54-00701
6639490
SASH ASSY
1
6639524
SASH
2
6639535
STOPPER
3
CATCH, LOCK Was 205-54-53180
4
CATCH, LOCK Was 205-54-53190
5
RIVET Was 04400-00412
6
SCREW Was 01224-40408
7
6639511
GLASS
8
6639512
9
6639525
SLIDE
10
6639529
11
6639526
12
6643083
LOCK
13
6643084
14
6643080
PACKING
15
6643081
16
6643079
RETAINER
17
6643082
18
6642019
SCREW
19
6639527
20
6639495
STRIP, WEATHER
21
6639493
22
6639498
Выбрано товаров: 0