Запчасти Bobcat 116 TRAVEL MOTOR (3/3) Komatsu S/N 11900 & Abv. WORK EQUIPMENT CONTROL SYSTEM

Схема запчастей Bobcat 116 - TRAVEL MOTOR (3/3) Komatsu S/N 11900 & Abv. WORK EQUIPMENT CONTROL SYSTEM
FIT
1:1
100%

Артикул

Название

Примечание

Количество

0

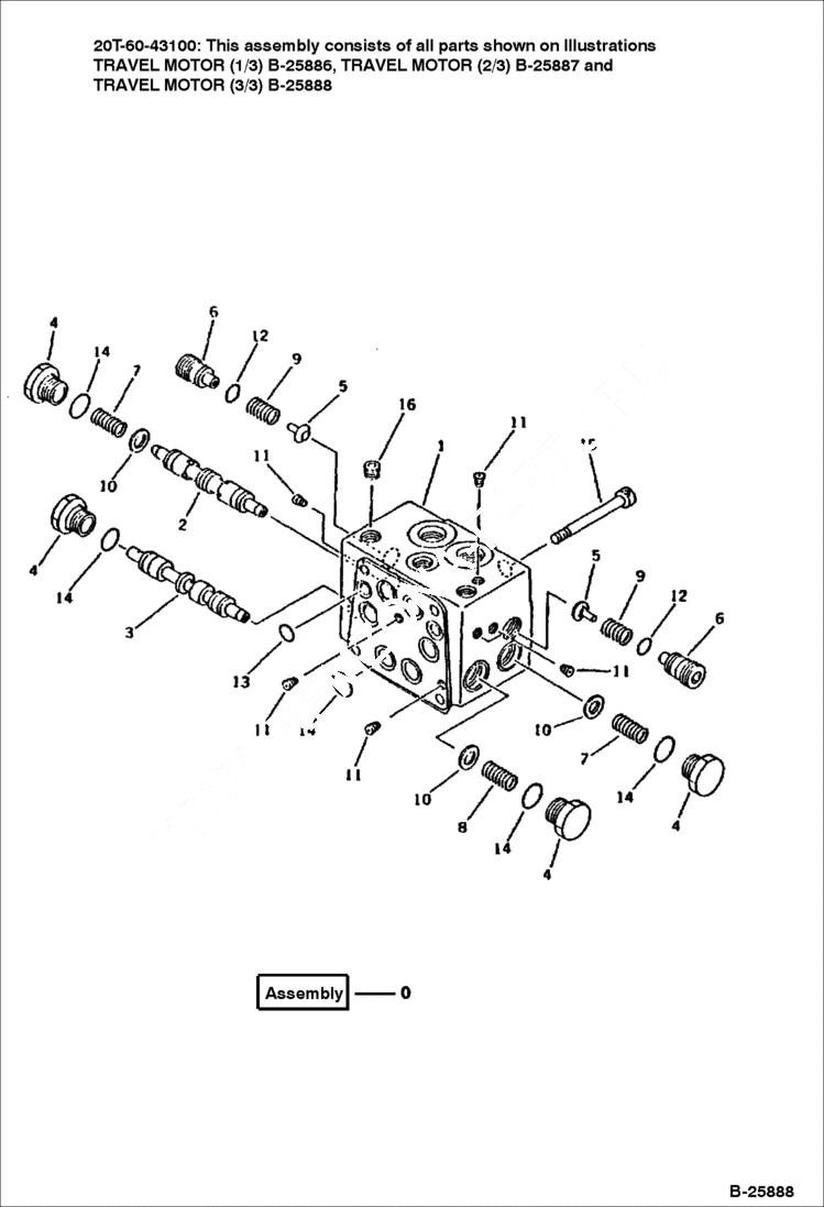
TRAVEL MOTOR ASSY See Illustration TRAVEL MOTOR (2/3)/ B25887 See Illustration TRAVEL MOTOR (1/3)/ B25886 Was 20T-60-43100

1

BODY

2

SPOOL

3

SPOOL

4

PLUG

5

VALVE, CHECK

6

PLUG

7

SPRING

8

SPRING

9

SPRING

10

RING

11

PLUG Was FUTPU-1-16

12

6669487

O'RING

13

6669488

O'RING

14

6669489

O'RING

15

SCREW Was FUTH12-8-80

16

PLUG Was FUTPHA-1-4

Выбрано товаров: 17