Запчасти Bobcat 116 HYDRAULIC PIPING (PUMP TO VALVE)(FOR ATTACHMENT) WORK EQUIPMENT CONTROL SYSTEM

Схема запчастей Bobcat 116 - HYDRAULIC PIPING (PUMP TO VALVE)(FOR ATTACHMENT) WORK EQUIPMENT CONTROL SYSTEM
FIT
1:1
100%

Артикул

Название

Примечание

Количество

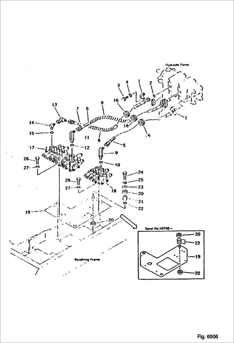
1

6664321

FLANGE

2

6637374

O-RING

3

6636960

BOLT

4

6637134

WASHER

5

HOSE Was 20T-62-66490

6

HOSE Was 20T-62-66480

7

HOSE Was 20T-62-66470

8

6639218

COVER

9

6638588

ELBOW

10

6637417

O-RING

11

6638587

ELBOW

12

6637417

O-RING

13

6639557

TUBE

14

6637588

ELBOW

15

6637417

O-RING

16

6637703

GROMMET

17

VALVE ASSY Was 709-36-12703

18

HYD UNIT GROUP Was 20T-970-X150

18

VALVE ASSY Was 709-33-11902

19

BRACKET Order 20S-60-35131, 203-62-5836 (6), 6637354 (9) - Was 20S-60-35131

20

CUSHION Was 203-62-58360

21

6639817

SHIM

22

6637354

O-RING Komatsu S/N 10748 & Abv

22

6637354

O-RING Komatsu S/N 10001-10747

23

6639907

SHIELD

24

6636984

BOLT

25

6637158

WASHER

26

6636959

BOLT

27

6637134

WASHER

Выбрано товаров: 29