Качественные детали и логистика
Оригинальные и аналоговые запчасти с доставкой по России, Казахстану и Беларуси
©2022 PartSell ООО "Система" ИНН 2463123282 ОГРН 1212400004838
Центральный офис: г. Красноярск, Академика Киренского, д.87, пом.4
Телефон: 8 (800) 777-65-74 Email: zakaz@partsell.ru
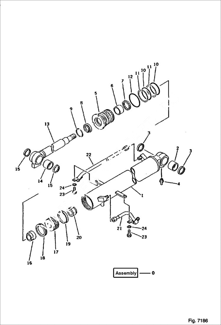
BOOM CYLINDER (FOR CANOPY)
№
Артикул
Название
Примечание
Количество
0
CYLINDER ASSY Was 20T-63-02060
1
CYLINDER Was 20T-63-56940
2
6637529
BUSHING
3
6637535
SEAL, DUST
4
6637430
FITTING
5
HEAD, CYLINDER Was 707-29-90380
6
6637566
7
6640435
PACKING
8
6640439
9
6648867
SNAP RING
10
6637380
O-RING
11
6637540
RING, BAC
12
6648845
O'RING
13
ROD, PISTON Was 20T-63-56920
14
6637524
15
16
6648902
PLUNGER Was 707-71-60670
17
6660172
PISTON
18
6640426
RING
19
6648859
WEAR RING
20
6637557
NUT
21
6657313
TUBE
22
6660173
23
6636946
BOLT
24
6637157
WASHER
Выбрано товаров: 0