Запчасти Bobcat 116 LINK WORK EQUIPMENT

Схема запчастей Bobcat 116 - LINK WORK EQUIPMENT
FIT
1:1
100%

Артикул

Название

Примечание

Количество

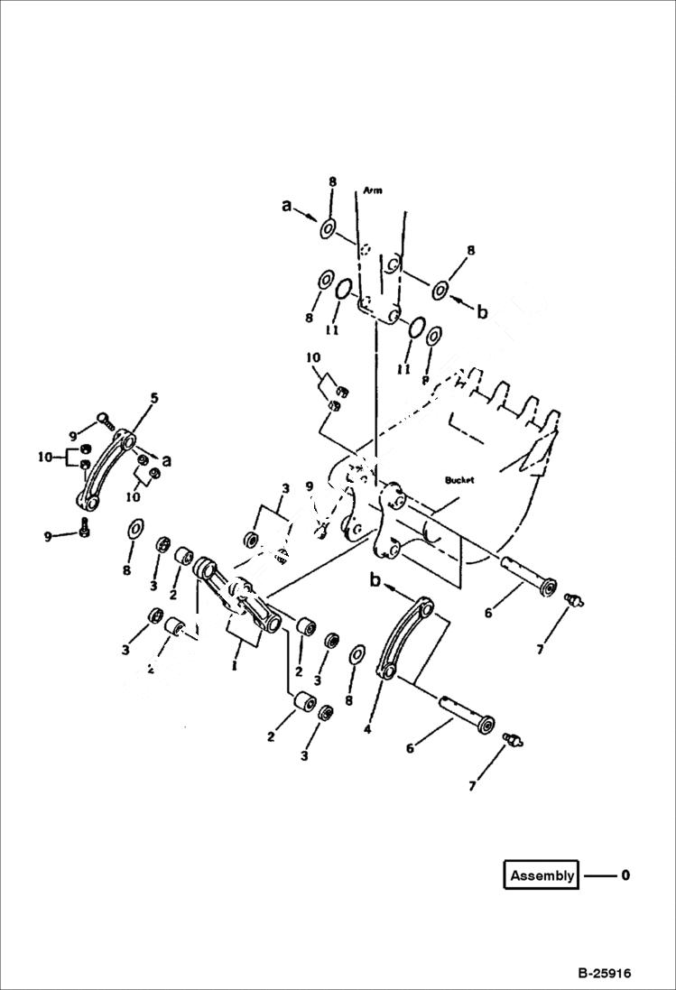
0

6658381

LINK ASSY

1

LINK

2

6639622

BUSHING

3

6637534

SEAL, DUST

4

6664441

ARM, LH

5

6664442

ARM, RH

6

6639611

PIN

7

6637430

FITTING

8

6639617

SHIM spacer - 1.0 mm

9

6637007

BOLT

10

6637109

NUT

11

6637870

O-RING

Выбрано товаров: 12