Качественные детали и логистика
Оригинальные и аналоговые запчасти с доставкой по России, Казахстану и Беларуси
©2022 PartSell ООО "Система" ИНН 2463123282 ОГРН 1212400004838
Центральный офис: г. Красноярск, Академика Киренского, д.87, пом.4
Телефон: 8 (800) 777-65-74 Email: zakaz@partsell.ru
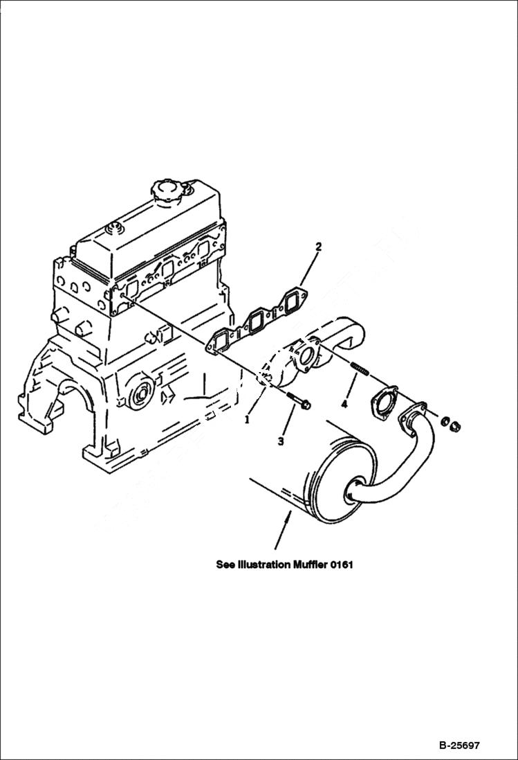
EXHAUST MANIFOLD
№
Артикул
Название
Примечание
Количество
1
6639977
MANIFOLD exhaust
2
6639980
GASKET (K1)
3
6637067
BOLT
4
6637019
STUD See Illustration MUFFLER/ 0161
Выбрано товаров: 0