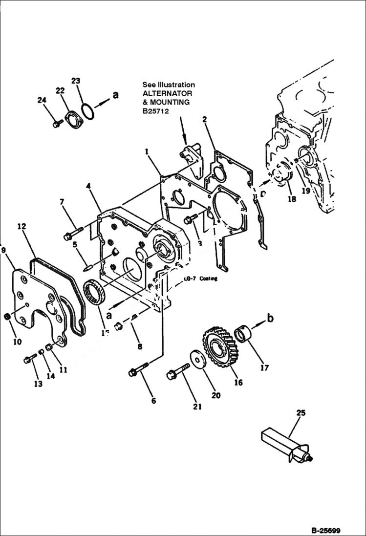
Запчасти Bobcat 116 FRONT COVER AND GEAR CYLINDER BLOCK

Схема запчастей Bobcat 116 - FRONT COVER AND GEAR CYLINDER BLOCK
FIT
1:1
100%

Артикул

Название

Примечание

Количество

1

6640188

SHIELD front

2

6640070

GASKET (K2)

3

6637081

BOLT

4

6640061

COVER front

5

6640071

PIN

6

6637088

BOLT

7

6642028

BOLT

8

6637089

BOLT

9

6640063

COVER assembly

9

6640064

COVER

10

6640066

GROMMET (K2)

11

6640067

GROMMET (K2)

12

6640065

PACKING (K2)

13

6637077

BOLT

14

6640068

SPACER

15

6640069

SEAL front (K2)

16

6640192

GEAR ASSY idler - Komatsu S/N 10467-11312

16

IDLER GEAR ASS'Y Komatsu S/N 11313 & Abv. - Was 6206-31-6301

16

6640193

GEAR idler - Komatsu S/N 10467-

17

6640114

BUSHING Komatsu S/N 10467-11312

17

BUSHING Komatsu S/N 11313 & Abv. - Was 6204-31-6341

18

6640113

SHAFT Komatsu S/N 10467-11312

18

6640113

SHAFT Komatsu S/N 11313 & Abv.

19

6637186

PIN, ROLL

20

6640115

WASHER

21

6637073

BOLT

22

6639971

SHIELD

23

6637362

O-RING (K2)

24

6637076

BOLT

25

6642174

GASKET liquid - LG-7, 150G

Выбрано товаров: 30