Запчасти Bobcat 116 FUEL INJECTION PUMP FUEL SYSTEM

Схема запчастей Bobcat 116 - FUEL INJECTION PUMP FUEL SYSTEM
FIT
1:1
100%

Артикул

Название

Примечание

Количество

1

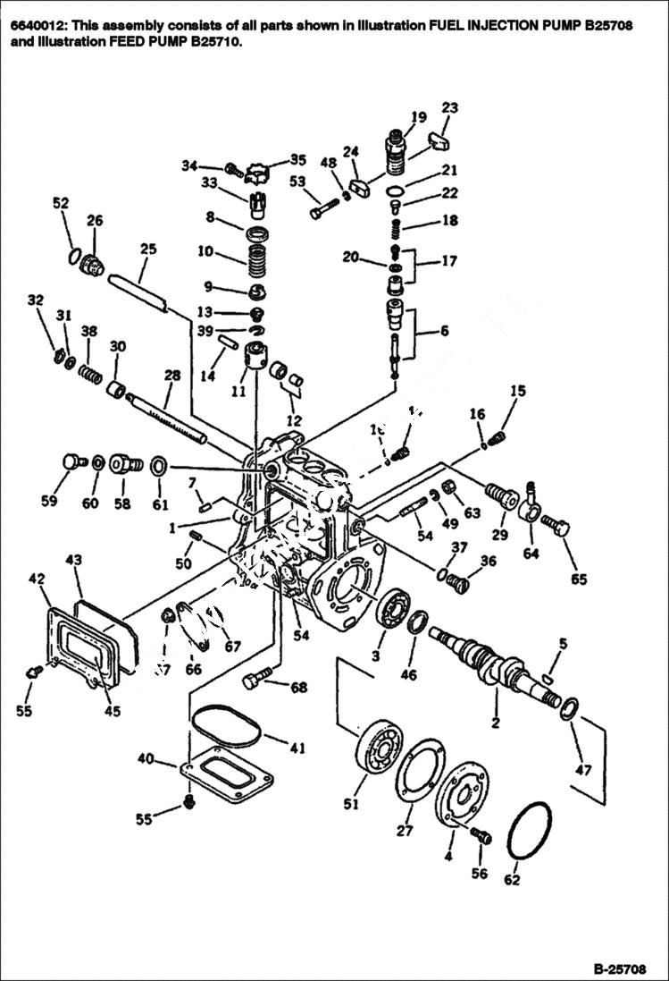
6640012

PUMP, INJ See Illustration FEED PUMP/ B25710 See Illustration GOVERNOR/ B25709 assembly

1

PUMP assembly - Was YM771353-51200

2

6646172

CAM SHAFT

3

6636680

WASHER, T bearing

4

6636681

CAGE retainer - bearing

5

6636579

KEY woodruff

6

6641939

PLUNGER assembly

7

6636682

PIN

8

6636769

RETRAINER seat

9

6636683

SEAT

10

6636626

SPRING plunger

11

6636684

TAPPET assembly

12

6636914

GUIDE ROL tappet roller set, tappet

13

6636685

BOLT adjusting

14

6636768

PIN

15

6636686

RING, SNAP

16

6636687

O-RING

17

6641864

VALVE assembly - delivery

18

6636688

SPRING

19

6646175

SEAT holder - valve

20

6636612

PACKING

21

6636613

O-RING

22

6636690

STOPPER

23

6636691

SHIELD stopper

24

6636692

SHIELD stopper

25

6636693

SHIELD

26

6636694

BOLT

27

6636695

PACKING shim set

28

6636696

RACK control

29

PLUG Was YM129100-51420

30

6636697

BUSHING

31

6636698

WASHER

32

6636699

RING, SNAP

33

6636700

GEAR pinion - control

34

6636578

SCREW

35

6636771

RING clamp

36

6636701

PLUG

37

6636702

O-RING

38

6636703

SPRING

39

SHIM Was YM119865-51600

40

6641875

COVER body

41

6641876

PACKING gasket - body cover

42

6636705

COVER body

43

6636706

PACKING gasket - body cover

44

6636707

SHIELD

45

6636730

SHIELD caution

46

6636708

WASHER 3,25 mm

47

6636709

WASHER 1,5 mm

48

6636779

WASHER, SPRING

49

6636789

WASHER

50

6636795

PIN

51

6636818

BEARING

52

6636826

O-RING

53

6636868

BOLT

54

6636875

STUD

55

SCREW Was YM26022-050102

56

SCREW Was YM26022-060162

57

6636886

NUT

58

PLUG Was YM122710-51900

59

BOLT Was YM122780-51900

60

6641942

PACKING gasket - plug

61

6641954

PACKING

62

6636577

O-RING FO pump

63

6636896

NUT

64

6636307

CONNECTOR

65

6641804

BOLT pipe joint

66

COVER blind - Was YM129100-52200

67

6636710

PACKING

68

6636616

BOLT pipe joint

Выбрано товаров: 69