Качественные детали и логистика
Оригинальные и аналоговые запчасти с доставкой по России, Казахстану и Беларуси
©2022 PartSell ООО "Система" ИНН 2463123282 ОГРН 1212400004838
Центральный офис: г. Красноярск, Академика Киренского, д.87, пом.4
Телефон: 8 (800) 777-65-74 Email: zakaz@partsell.ru
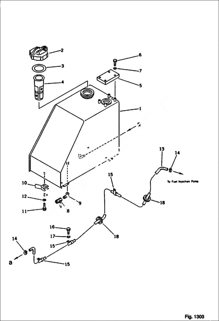
FUEL TANK AND PIPING FOR VANDALISM PROTECTION
№
Артикул
Название
Примечание
Количество
1
TANK ASS'Y Was 20T-04-00350
6638988
TANK
2
6637482
CAP
3
6637471
GASKET
4
6637474
SCREEN
5
6638989
COVER
6
6636957
BOLT
7
6637134
WASHER
8
6637650
VALVE
9
6637644
ELBOW
10
6638543
SHIM 1.00 mm
11
6636980
12
6637139
13
6638987
HOSE
14
6637620
CLAMP
15
6637690
CLIP
16
6636965
17
6637135
18
6637703
GROMMET
Выбрано товаров: 0