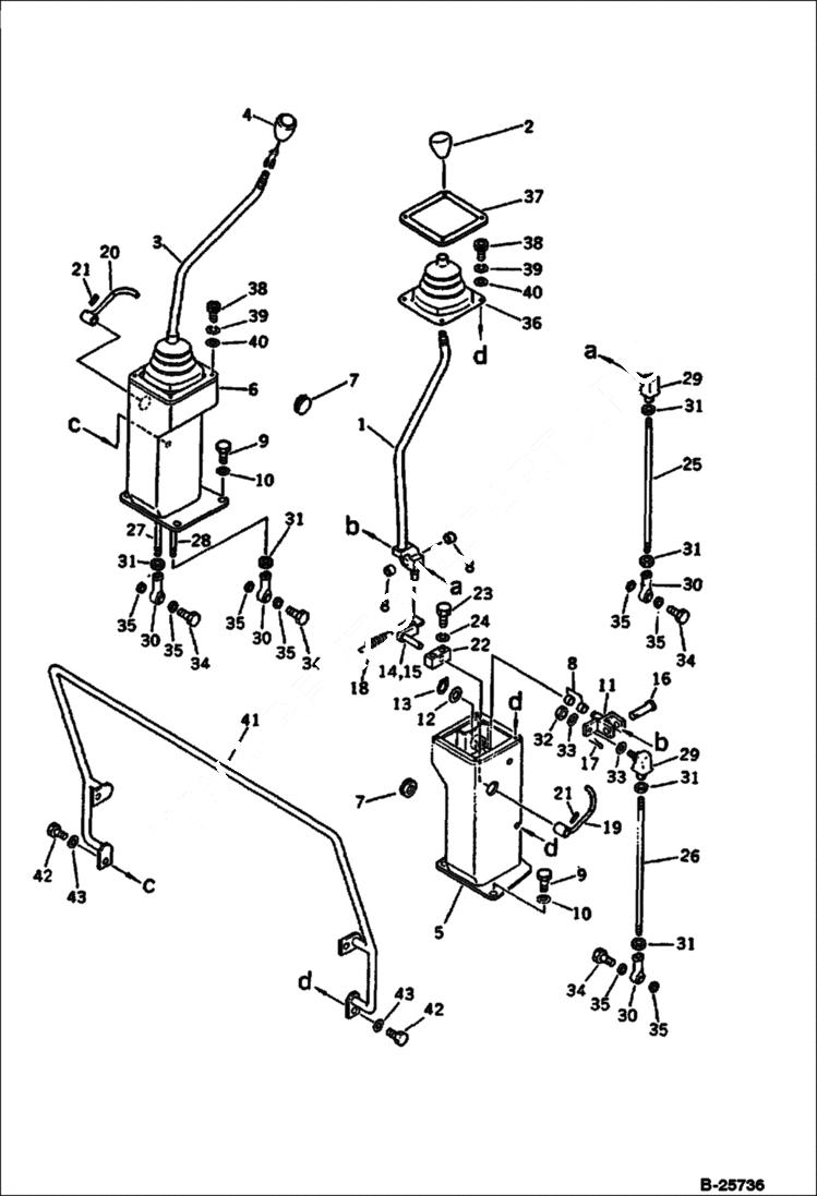
Запчасти Bobcat 116 WORK EQUIPMENT CONTROL LEVER CONTROL SYSTEM AND REVOLVING FRAME

Схема запчастей Bobcat 116 - WORK EQUIPMENT CONTROL LEVER CONTROL SYSTEM AND REVOLVING FRAME
FIT
1:1
100%

Артикул

Название

Примечание

Количество

1

6639177

LEVER L.H.

2

6637900

KNOB

3

6639178

LEVER R.H.

4

6638643

SWITCH horn

5

6638698

STAND L.H.

6

6638699

STAND R.H.

7

6637758

CAP

8

6639170

BUSHING

9

6636980

BOLT

10

6637158

WASHER

11

6639280

YOKE

12

6637148

WASHER

13

6637217

SNAP RING

14

6638705

LEVER

15

6638706

LEVER

16

6637262

PIN

17

6637203

PIN, COTT

18

6639169

SPRING

19

6639285

LEVER l.h.

20

6639284

LEVER r.h.

21

6637188

PIN, ROLL

22

6638707

BLOCK

23

6636962

BOLT

24

6637134

WASHER

25

6637286

ROD

26

6637287

ROD

27

6637284

ROD

28

6637288

ROD

29

6639406

CONNECTOR

30

6637307

END

31

6637113

NUT

32

6637113

NUT

33

6637157

WASHER

34

6636969

BOLT

35

6637316

SHIM

36

6639189

BELLOWS

37

6639281

COVER

38

6639255

BOLT

39

6639256

WASHER

40

6639257

WASHER

41

6638700

HANDRAIL

42

6636966

BOLT

43

6637157

WASHER

Выбрано товаров: 43