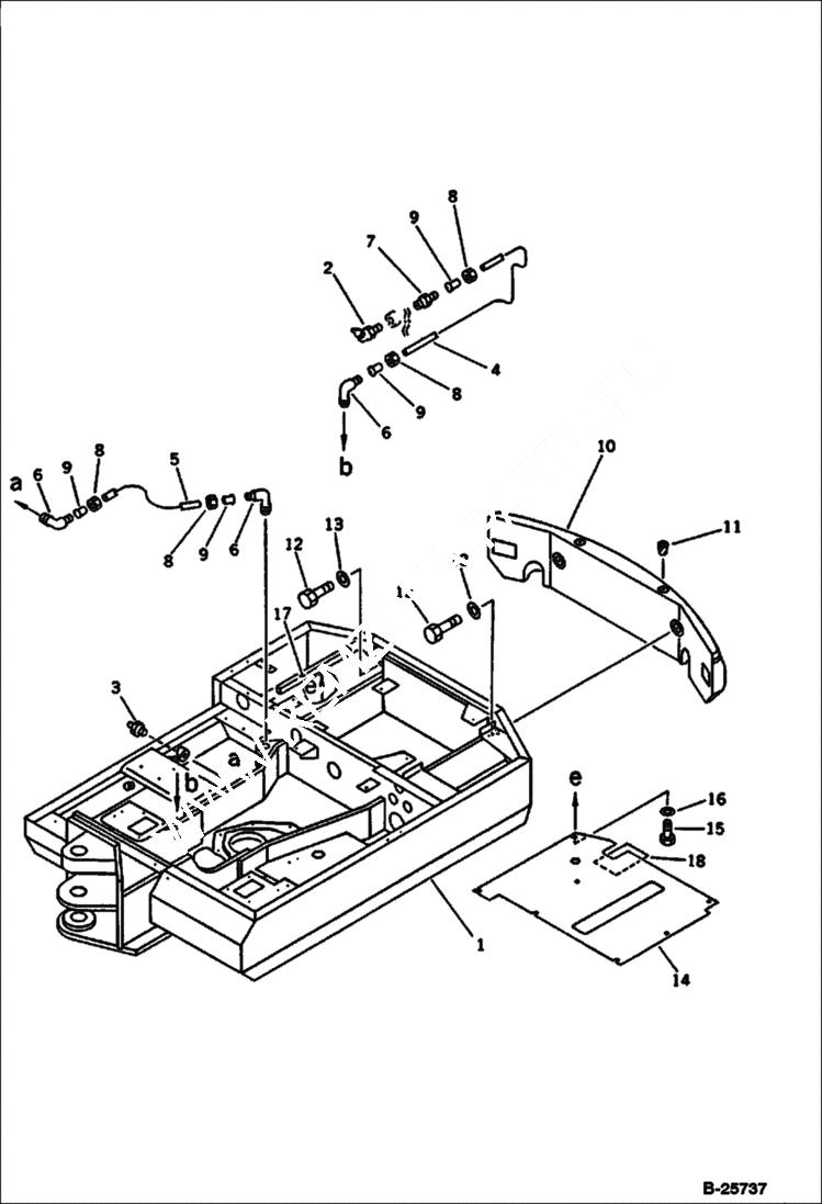
Запчасти Bobcat 116 REVOLVING FRAME CONTROL SYSTEM AND REVOLVING FRAME

Схема запчастей Bobcat 116 - REVOLVING FRAME CONTROL SYSTEM AND REVOLVING FRAME
FIT
1:1
100%

Артикул

Название

Примечание

Количество

1

6639455

FRAME

2

6637431

FITTING

3

6637430

FITTING

4

6639465

TUBE

5

6646759

TUBE

6

6638567

ELBOW

7

6638568

CONNECTOR

8

6637664

NUT

9

6637661

SLEEVE

10

6639456

WEIGHT

11

6637468

PLUG

12

6637001

BOLT

13

6637161

WASHER

14

6639539

COVER

15

6636966

BOLT

16

6637157

WASHER

17

6639016

PACKING

18

SEAT Was 20T-46-31160

Выбрано товаров: 18