Запчасти Bobcat 116 FLOOR 2/2 GUARD

Схема запчастей Bobcat 116 - FLOOR 2/2 GUARD
FIT
1:1
100%

Артикул

Название

Примечание

Количество

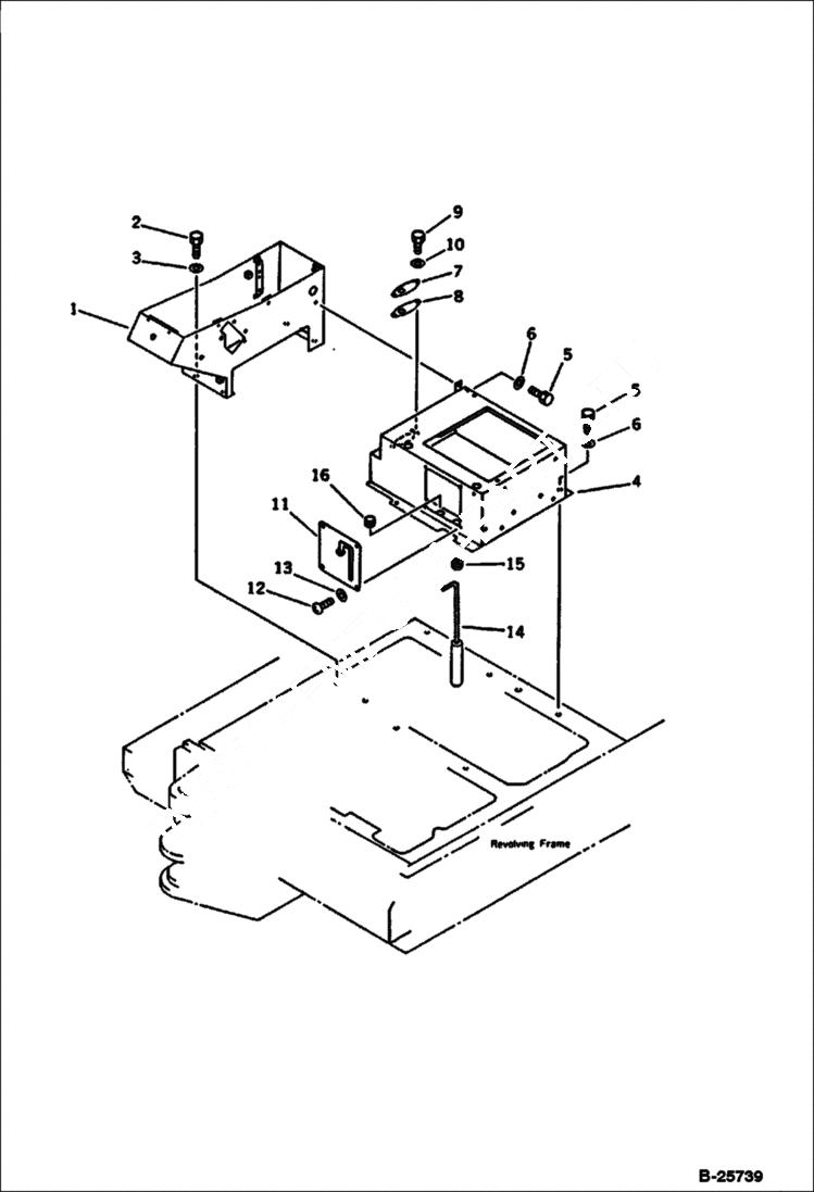
1

6638783

BOX panel

2

6636967

BOLT

3

6637157

WASHER

4

6642829

BOX

5

6636967

BOLT

6

6637157

WASHER

7

6642830

PLATE

8

6642831

SHEET

9

6636954

BOLT

10

6637155

WASHER

11

6638791

SHIELD

12

6637039

SCREW

13

6637155

WASHER

14

6639474

PIN

15

6637701

GROMMET

16

6637757

CAP

Выбрано товаров: 16