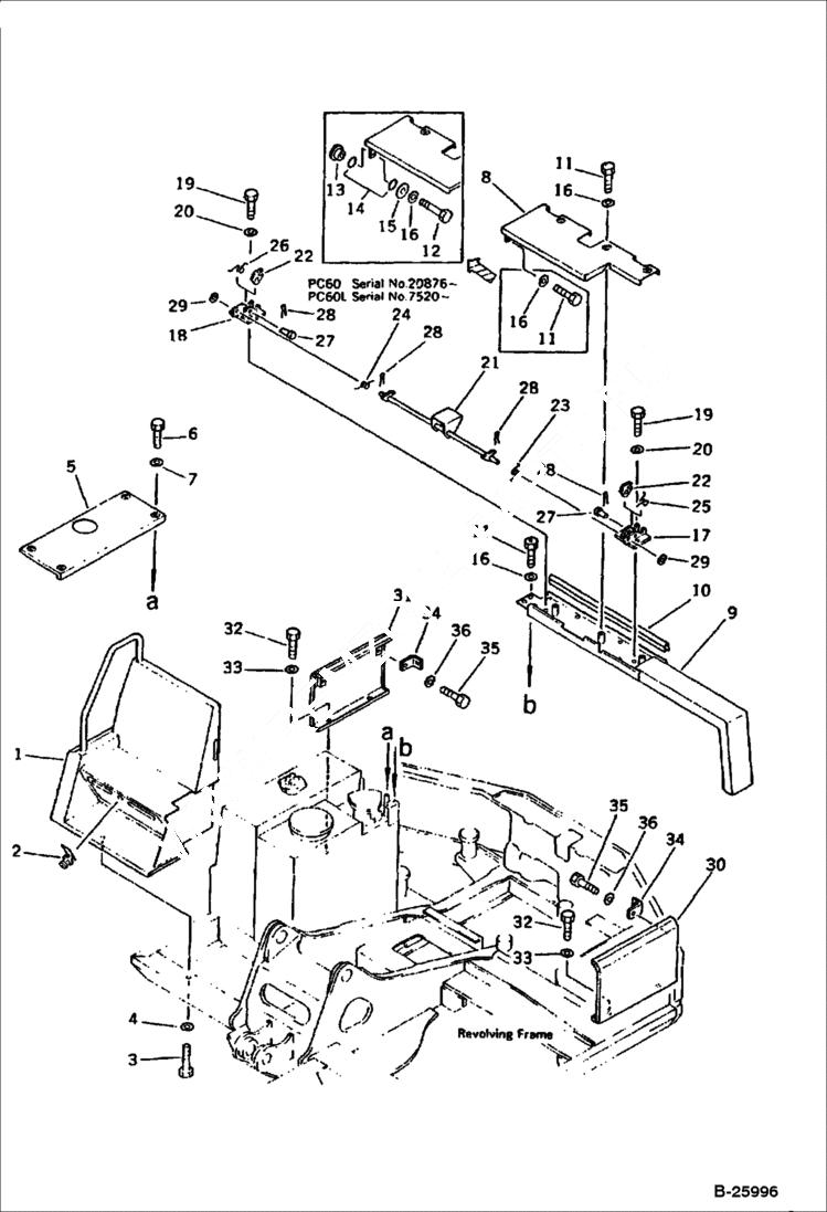
Запчасти Bobcat 130 MACHINERY COMPARTMENT PC60, PC60L - 2/3 REVOLVING FRAME, GUARD AND CAB

Схема запчастей Bobcat 130 - MACHINERY COMPARTMENT PC60, PC60L - 2/3 REVOLVING FRAME, GUARD AND CAB
FIT
1:1
100%

Артикул

Название

Примечание

Количество

1

6642991

COVER

2

6639396

LOCK ASSY

3

6636967

BOLT

4

6637157

WASHER

5

COVER Komatsu S/N 20501 & Abv - Was 20X-54-21521

5

6642992

COVER Komatsu S/N 20501-23219

6

6636966

BOLT

7

6637157

WASHER

8

COVER Komatsu S/N 20876 & Abv - Was 20X-54-21381

8

6639770

COVER Komatsu S/N 20501-20875

9

6639767

COVER

10

6639768

PAD, TRIM

11

6636966

BOLT Komatsu S/N 20501-20875

11

6636966

BOLT Komatsu S/N 20876 & Abv

12

6636969

BOLT Komatsu S/N 20876 & Abv

13

6645562

RETAINER Komatsu S/N 20876 & Abv

14

6637412

O-RING Komatsu S/N 20876 & Abv

15

6645563

WASHER Komatsu S/N 20876 & Abv

16

6637157

WASHER

17

6639771

BRACKET LH

18

6639772

BRACKET RH

19

6636966

BOLT

20

6637157

WASHER

21

6639773

LEVER

22

6639882

LEVER

23

6639775

SPRING

24

6639774

SPRING

25

6639776

SPRING

26

6639883

SPRING

27

6637260

PIN

28

6637199

PIN, COTTER

29

6637147

WASHER

30

6639763

COVER LH

31

6639764

COVER RH

32

6636966

BOLT

33

6637157

WASHER

34

6639765

SHIELD

35

6636966

BOLT

36

6637157

WASHER

Выбрано товаров: 39