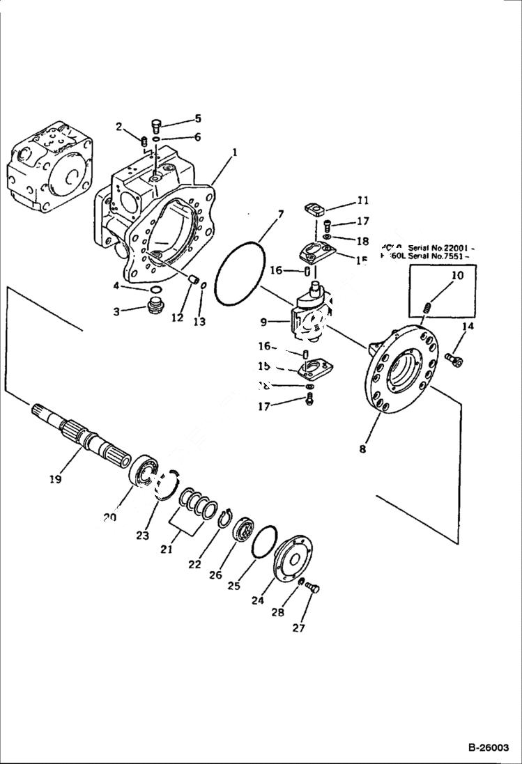
Запчасти Bobcat 130 HYDRAULIC PUMP Front 1/2 HYDRAULIC SYSTEM

Схема запчастей Bobcat 130 - HYDRAULIC PUMP Front 1/2 HYDRAULIC SYSTEM
FIT
1:1
100%

Артикул

Название

Примечание

Количество

1

6646440

PUMP ASSY See Illustration HYDRAULIC PUMP UNIT/ B26002 See Illustration HYDRAULIC PUMP/ B26004 See Illustration HYDRAULIC PUMP/ B26005 See Illustration HYDRAULIC PUMP - REAR/ B26006 See Illustration H

1

PUMP ASSY See Illustration HYDRAULIC PUMP UNIT/ B26002 See Illustration HYDRAULIC PUMP/ B26004 See Illustration HYDRAULIC PUMP/ B26005 See Illustration HYDRAULIC PUMP - REAR/ B26006 See Illustration H

1

PUMP ASSY See Illustration HYDRAULIC PUMP UNIT/ B26002 See Illustration HYDRAULIC PUMP/ B26004 See Illustration HYDRAULIC PUMP/ B26005 See Illustration HYDRAULIC PUMP - REAR/ B26006 See Illustration H

1

SUB ASSY See Illustration HYDRAULIC PUMP/ B26004 See Illustration HYDRAULIC PUMP - REAR/ B26007 See Illustration HYDRAULIC PUMP - REAR/ B26006 See Illustration HYDRAULIC PUMP/ B26005 pump - Komatsu S/

1

6646064

PUMP sub sub assembly

1

SUB ASSY case - front - Was 708-21-00010

1

CASE front - Was 708-21-12110

2

6640378

PLUG

3

6637453

PLUG

4

6637411

O-RING

5

6640602

PLUG

6

6637408

O-RING

7

O-RING Was 07000-02145

8

CRADLE SUB ASS'Y,FRONT Komatsu S/N 22001 & Abv - Was 708-21-00030

8

CRADLE FRONT Komatsu S/N 20501 & Abv - Was 708-21-12311

9

ROCKER, CAM Was 708-21-13410

10

PLUG Komatsu S/N 2201 & Abv - Was 708-86-51180

11

SLIDER Was 708-21-14220

12

JOINT Was 708-21-12330

13

6637370

O-RING

14

BOLT Was 708-21-12380

15

PLATE Was 708-21-12340

16

PIN Was 708-23-12370

17

SCREW Was 708-21-12350

18

WASHER Was 708-21-12360

19

6646078

SHAFT

20

6646082

BEARING

21

6640458

WASHER

21

WASHER 2,10 mm - Was 708-21-12790

21

WASHER 2,20 mm - Was 708-21-12810

21

WASHER 2,30 mm - Was 708-21-12820

21

WASHER 2,40 mm - Was 708-21-12830

22

6646443

SNAP RING

23

RING Was 708-21-12660

24

6646084

HOUSING

25

6637343

O-RING

26

6640486

PLUG oil seal

27

6636943

BOLT

28

6637155

WASHER

Выбрано товаров: 39