Запчасти Bobcat 130 SERVO VALVE, FRONT HYDRAULIC SYSTEM

Схема запчастей Bobcat 130 - SERVO VALVE, FRONT HYDRAULIC SYSTEM
FIT
1:1
100%

Артикул

Название

Примечание

Количество

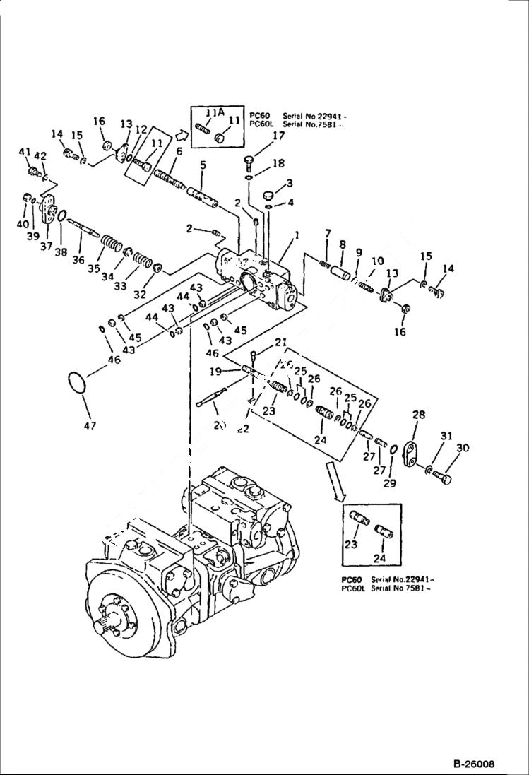
1

6646440

PUMP ASSY See Illustration HYDRAULIC PUMP UNIT/ B26002 See Illustration HYDRAULIC PUMP/ B26003 See Illustration HYDRAULIC PUMP/ B26004 See Illustration HYDRAULIC PUMP/ B26005 See Illustration HYDRAULI

1

PUMP ASSY See Illustration HYDRAULIC PUMP UNIT/ B26002 See Illustration HYDRAULIC PUMP/ B26003 See Illustration HYDRAULIC PUMP/ B26004 See Illustration HYDRAULIC PUMP/ B26005 See Illustration HYDRAULI

1

PUMP ASSY See Illustration HYDRAULIC PUMP UNIT/ B26002 See Illustration HYDRAULIC PUMP/ B26003 See Illustration HYDRAULIC PUMP/ B26004 See Illustration HYDRAULIC PUMP/ B26005 See Illustration HYDRAULI

1

6646441

VALVE ASY servo - front - Komatsu S/N 20501-22940

1

VALVE ASSY servo - front - Komatsu S/N 22941 & Abv - Was 708-21-07820

1

BODY ASS'Y Komatsu S/N 20501-22940 - Was 708-23-07070

1

BODY ASSY Komatsu S/N 22941 & Abv - Was 708-23-07071

1

6646103

BODY Komatsu S/N 20501-22940

1

BODY Komatsu S/N 22941 & Abv - Was 708-23-15811

2

PLUG Was 720-68-19740

3

PLUG Was 07040-10807

4

O-RING Was 07002-10823

5

6640496

SLEEVE

6

6640500

SPOOL

7

6640501

SPRING

8

6640503

SPACER

9

6637336

O-RING

10

6640504

SCREW

11

6640497

PLUG Komatsu S/N 20501-22940

11

PLUG Komatsu S/N 22941 & Abv - Was 708-25-15430

11

6640504

SCREW Komatsu S/N 22941 & Abv

12

6637336

O-RING

13

6640498

COVER

14

6640502

BOLT

15

6637133

WASHER

16

6642032

NUT

17

6640499

PLUG

18

6637406

O-RING

19

6646104

PISTON

20

6646110

ARM

21

6637244

PIN

22

6637192

PIN, COTT

23

SLEEVE Komatsu S/N 20501-22940 - Was 708-23-15920

23

SLEEVE Komatsu S/N 22941 & Abv - Was 708-23-15921

24

SLEEVE Komatsu S/N 20501-22940 - Was 708-23-15940

24

SLEEVE Komatsu S/N 22941 & Abv - Was 708-23-15941

25

6637371

O-RING Komatsu S/N 20501-22940

26

RING,BACK-UP Komatsu S/N 20501-22940 - Was 07001-02014

27

PISTON Was 708-23-15930

28

COVER Was 708-21-19240

29

6637337

O-RING

30

6636959

BOLT

31

6637128

WASHER

32

SEAT Was 708-23-15830

33

SPRING Was 708-23-15840

34

SEAT Was 708-23-15850

35

SPRING Was 708-21-19221

36

ROD Was 708-23-15870

37

COVER Was 708-21-19230

38

6637341

O-RING

39

6637406

O-RING

40

NUT Was 708-23-15890

41

6636958

BOLT

42

6637128

WASHER

43

6640600

FILTER

44

6637368

O-RING

45

ORIFICE Was 708-21-19150

46

O-RING Was 07000-02010

47

6637361

O-RING

Выбрано товаров: 0