Запчасти Bobcat 130 HYDRAULIC PUMP UNIT HYDRAULIC SYSTEM

Схема запчастей Bobcat 130 - HYDRAULIC PUMP UNIT HYDRAULIC SYSTEM
FIT
1:1
100%

Артикул

Название

Примечание

Количество

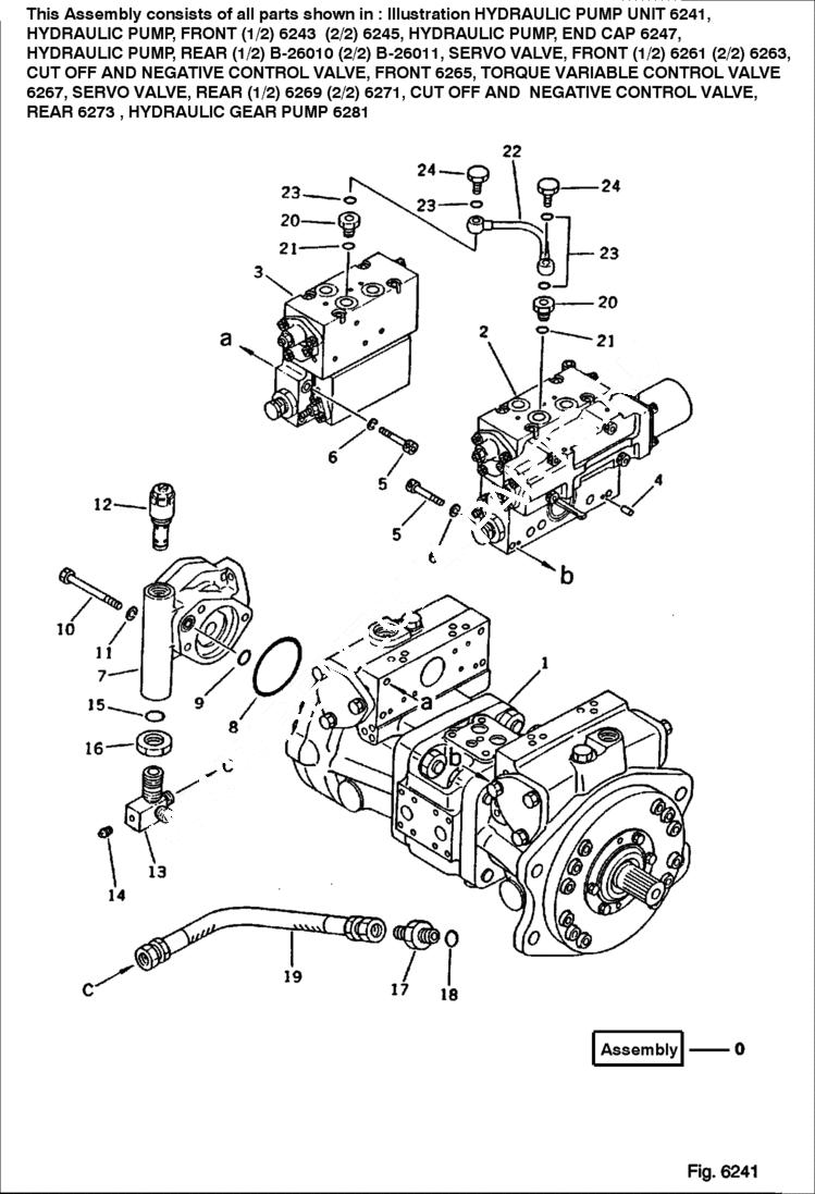
0

6651244

PUMP

0

HYDRAULIC PUMP ASSY. (HPV35+35) Was 708-21-01031

0

HYDRAULIC PUMP ASSY. (HPV35+35) Was 708-21-01030

0

6640466

PUMP ASSY

1

PUMP ASSY hydraulic - sub sub - Was 708-21-01240

1

6640467

PUMP ASSY hydraulic - sub sub

2

6651245

SERVO valve assembly - front

2

VALVE ASSY servo - front - Was 708-21-07110

2

6640474

VALVE ASSY servo - front

3

VALVE ASSY servo - rear - Was 708-21-07211

3

VALVE ASSY servo - rear - Was 708-21-07210

3

6640476

VALVE ASSY servo - rear

4

6637174

PIN, DOWE

5

6640518

BOLT

6

6637128

WASHER

7

PUMP ASSY gear - Was 704-24-24401

7

6640294

PUMP ASSY gear

8

6637347

O-RING

9

6637340

O-RING

10

6636949

BOLT

11

6637129

WASHER

12

VALVE ASSY relief - Was 708-23-14801

12

6640483

VALVE ASY relief

13

6640493

ELBOW

14

6637442

PLUG

15

6637411

O-RING

16

6637593

NUT

17

6637580

NIPPLE

18

6637410

O-RING

19

6637492

HOSE

20

6640334

PLUG

21

6637409

O-RING

22

TUBE Was 708-21-19120

23

6637336

O-RING

24

6640333

BOLT eye

Выбрано товаров: 35