Запчасти Bobcat 130 HYDRAULIC PUMP End Cap HYDRAULIC SYSTEM

Схема запчастей Bobcat 130 - HYDRAULIC PUMP End Cap HYDRAULIC SYSTEM
FIT
1:1
100%

Артикул

Название

Примечание

Количество

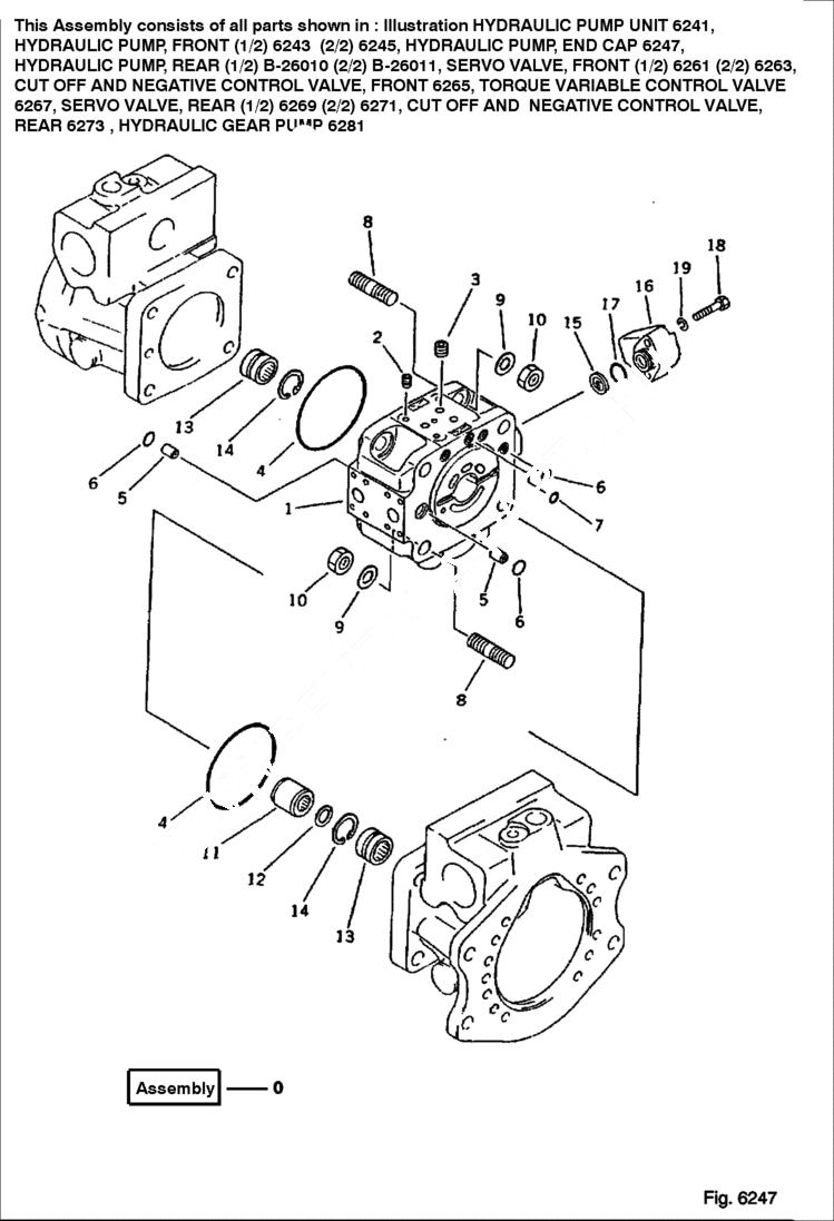
0

6651244

PUMP hydraulic assy. (HPV 35+35)

0

PUMP ASSY hydraulic (HPV 35+35) - Was 708-21-01031

0

PUMP ASSY hydraulic (HPV 35+35) - Was 708-21-01030

0

6640466

PUMP ASSY hydraulic (HPV 35+35)

0

PUMP ASSY See Illustration HYDRAULIC PUMP/ 6243 See Illustration HYDRAULIC PUMP/ B26011 See Illustration HYDRAULIC PUMP/ B26010 See Illustration HYDRAULIC PUMP/ 6245 hydraulic - sub sub - Was 708-21-0

0

6640467

PUMP ASSY See Illustration HYDRAULIC PUMP/ 6243 See Illustration HYDRAULIC PUMP/ B26011 See Illustration HYDRAULIC PUMP/ B26010 See Illustration HYDRAULIC PUMP/ 6245 hydraulic - sub sub

1

END CAP SUB ASS'Y Was 708-21-00050

1

6646445

END CAP

2

6640378

PLUG

3

PLUG Was 708-21-12520

4

6637348

O-RING

5

JOINT Was 708-21-12330

6

6637370

O-RING

7

6637368

O-RING

8

STUD Was 01140-81440

9

6637159

WASHER

10

NUT Was 01582-01411

11

COUPLING Was 708-21-12730

12

RING Was 708-21-12742

13

6646083

BEARING

14

RING,SNAP Was 04065-03212

15

6640601

FILTER

16

6640482

FLANGE

17

6637342

O-RING

18

6636945

BOLT

19

6637128

WASHER

Выбрано товаров: 26