Запчасти Bobcat 130 HYDRAULIC PUMP Rear 1/2 HYDRAULIC SYSTEM

Схема запчастей Bobcat 130 - HYDRAULIC PUMP Rear 1/2 HYDRAULIC SYSTEM
FIT
1:1
100%

Артикул

Название

Примечание

Количество

0

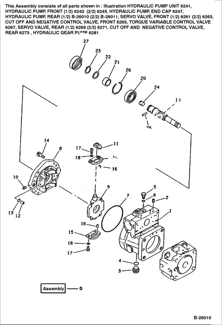
6651244

PUMP hydraulic assy. (HPV 35+35)

0

PUMP ASSY hydraulic (HPV 35+35) - Was 708-21-01031

0

PUMP ASSY hydraulic (HPV 35+35) - Was 708-21-01030

0

6640466

PUMP ASSY hydraulic (HPV 35+35)

0

PUMP ASSY See Illustration HYDRAULIC PUMP/ 6243 See Illustration HYDRAULIC PUMP/ B26011 See Illustration HYDRAULIC PUMP/ 6247 See Illustration HYDRAULIC PUMP/ 6245 hydraulic - sub sub - Was 708-21-012

0

6640467

PUMP ASSY See Illustration HYDRAULIC PUMP/ 6243 See Illustration HYDRAULIC PUMP/ B26011 See Illustration HYDRAULIC PUMP/ 6247 See Illustration HYDRAULIC PUMP/ 6245 hydraulic - sub sub

1

SUB ASSY case - rear - Was 708-21-00020

1

CASE,REAR Was 708-21-12120

2

6640378

PLUG

3

6637453

PLUG

4

6637411

O-RING

5

6640602

PLUG

6

6637408

O-RING

7

O-RING Was 07000-02145

8

SUB ASSY cradle - rear - Was 708-21-00040

8

CRADLE REAR Was 708-21-12321

9

ROCKER, CAM Was 708-21-13410

10

6640378

PLUG

11

SLIDER Was 708-21-14220

12

JOINT Was 708-21-12330

13

6637370

O-RING

14

BOLT Was 708-21-12380

15

PLATE Was 708-21-12340

16

PIN Was 708-23-12370

17

SCREW Was 708-21-12350

18

WASHER Was 708-21-12360

19

6646079

SHAFT

20

6646082

BEARING

21

COLLAR Was 708-21-12670

22

6640458

WASHER

22

WASHER 2,10 mm - Was 708-21-12790

22

WASHER 2,20 mm - Was 708-21-12810

22

WASHER 2,30 mm - Was 708-21-12820

22

WASHER 2,40 mm - Was 708-21-12830

23

6646443

SNAP RING

24

COUPLING Was 708-21-12931

25

PIN Was 708-21-12940

26

RING Was 708-21-12660

27

RETAINER Was 708-21-12650

Выбрано товаров: 39