Запчасти Bobcat 130 HYDRAULIC GEAR PUMP HYDRAULIC SYSTEM

Схема запчастей Bobcat 130 - HYDRAULIC GEAR PUMP HYDRAULIC SYSTEM
FIT
1:1
100%

Артикул

Название

Примечание

Количество

0

6651244

PUMP hydraulic assy. (HPV 35+35)

0

PUMP ASSY hydraulic (HPV 35+35) - Was 708-21-01031

0

PUMP ASSY hydraulic (HPV 35+35) - Was 708-21-01030

0

6640466

PUMP ASSY hydraulic (HPV 35+35)

0

PUMP ASSY gear (BAR16) - Was 704-24-24401

0

6640294

PUMP ASSY gear (BAR16)

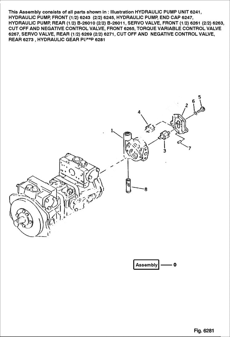
1

6640297

BODY

2

6640295

HOUSING

3

6640298

GEAR drive

4

6640299

GEAR driven

5

6637054

BOLT

6

6637135

WASHER

7

6637175

PIN, DOWEL

8

STRAINER Was 704-28-02751

8

6640296

FILTER

Выбрано товаров: 15