Запчасти Bobcat 130 CONTROL VALVE, L.H. 2/3 HYDRAULIC SYSTEM

Схема запчастей Bobcat 130 - CONTROL VALVE, L.H. 2/3 HYDRAULIC SYSTEM
FIT
1:1
100%

Артикул

Название

Примечание

Количество

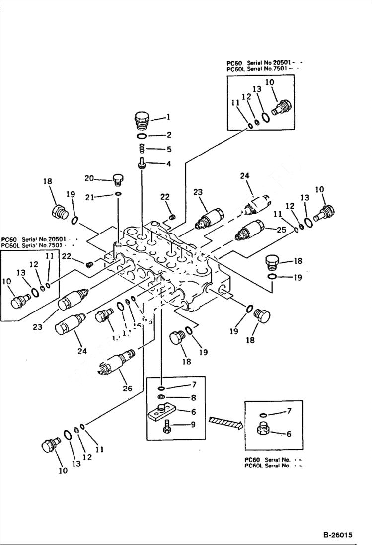
1

VALVE ASSY See Illustration CONTROL VALVE, L.H./ B26016 See Illustration CONTROL VALVE, L.H./ B26014 control - L.H. - Was 709-26-11303

1

6640550

VALVE ASY See Illustration CONTROL VALVE, L.H./ B26016 See Illustration CONTROL VALVE, L.H./ B26014 control - L.H.

1

6646874

PLUG

2

6637373

O-RING

4

6640539

VALVE

5

6640540

SPRING

6

6643222

PLATE

6

6640261

PLUG

7

6640243

O-RING

7

6637417

O-RING

8

6640259

RING

9

6636958

BOLT

10

6640541

PLUG

10

6640541

PLUG

11

6637368

O-RING

11

6637368

O-RING

12

6637394

RING, BAC

12

6637394

RING, BAC

13

6640542

O-RING

13

6640542

O-RING

14

6640541

PLUG

15

6637368

O-RING

16

6637394

RING, BAC

17

6640542

O-RING

18

6640261

PLUG

19

6637417

O-RING

20

6637437

PLUG

21

6637409

O-RING

22

6637452

PLUG

23

VALVE ASSY safety - Was 709-20-61102

24

6640530

VALVE ASSY suction

25

VALVE ASSY suction & safety - Was 709-20-61301

25

6640529

VALVE ASSY suction & safety

26

6643221

VALVE ASSY RELIEF

Выбрано товаров: 34