Запчасти Bobcat 130 LINK WORK EQUIPMENT

Схема запчастей Bobcat 130 - LINK WORK EQUIPMENT
FIT
1:1
100%

Артикул

Название

Примечание

Количество

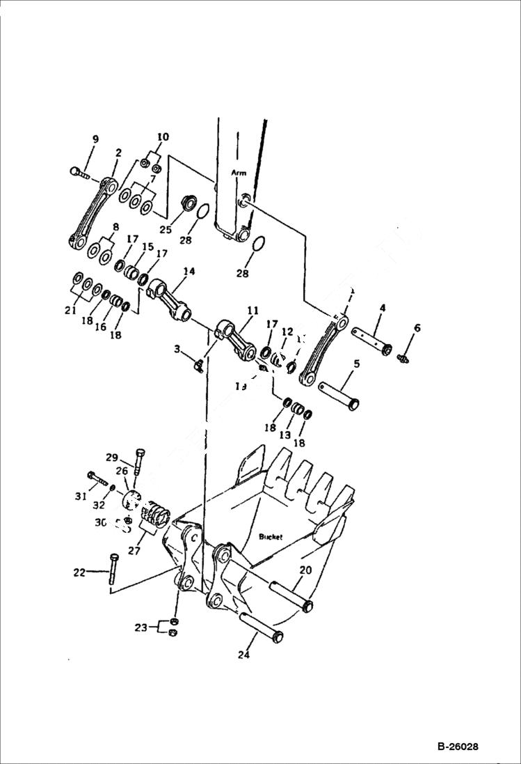
1

6639852

LINK LH

2

6639851

LINK RH

3

6637432

FITTING

4

6639861

SHAFT

5

6639857

SHAFT

6

6637430

FITTING

7

6639120

SHIM 1,00 mm

7

6637862

SHIM 1,6 mm

7

6637863

SHIM 3,2 mm

8

6639232

SHIM 1,00 mm

8

6639233

SHIM 2,00 mm

9

6637010

BOLT

10

6637110

NUT

11

6639839

LINK ASSY LH

12

6639855

BUSHING

13

6637259

PIN bushing

14

6639840

LINK ASSY RH

15

6639855

BUSHING

16

6637529

BUSHING

17

6637537

SEAL, DUS

18

6637535

SEAL, DUST

19

6637430

FITTING

20

6639856

SHAFT

21

6639120

SHIM 1,00 mm

21

6637862

SHIM 1,6 mm

21

6637863

SHIM 3,2 mm

22

6637011

BOLT

23

6637110

NUT

24

6639856

SHAFT

25

6639858

SHIM

26

6639859

PLATE

27

6639860

SHIELD 0,50 mm

28

6637885

O-RING

29

6637012

BOLT

30

6637110

NUT

31

6636986

BOLT

32

6637158

WASHER

Выбрано товаров: 37