Качественные детали и логистика
Оригинальные и аналоговые запчасти с доставкой по России, Казахстану и Беларуси
©2022 PartSell ООО "Система" ИНН 2463123282 ОГРН 1212400004838
Центральный офис: г. Красноярск, Академика Киренского, д.87, пом.4
Телефон: 8 (800) 777-65-74 Email: zakaz@partsell.ru
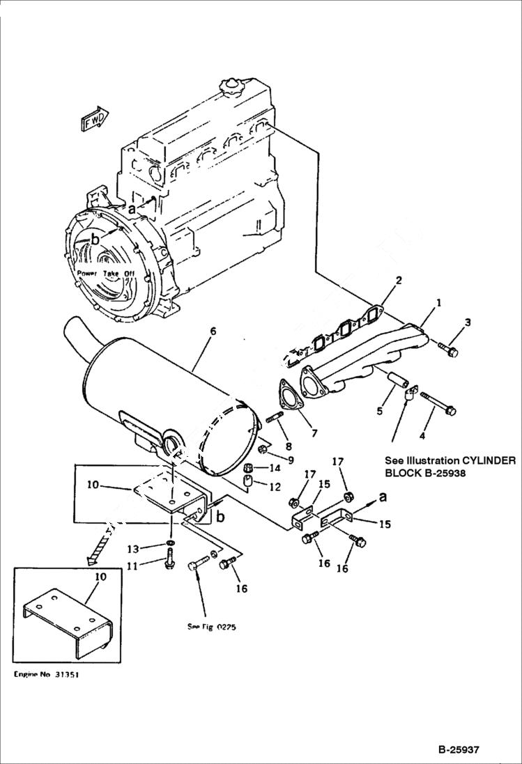
EXHAUST MANIFOLD & MUFFLER
№
Артикул
Название
Примечание
Количество
1
6640044
MANIFOLD
2
6640048
GASKET
3
6637072
BOLT
4
6640189
5
6639942
SHIM
6
6643143
MUFFLER Komatsu S/N 15548-26470 - Order Ref. 6 & 10
MUFFLER Komatsu S/N 26471 & Abv.
7
6639968
8
6637020
STUD
9
6639962
NUT
10
6643144
BRACKET Komatsu S/N 15548-26470
BRACKET Komatsu S/N 26471-31350 - Was 6204-11-5622
BRACKET Komatsu S/N 31351 & Abv. - Was 6204-11-5623
11
6637094
12
6640213
13
6637157
WASHER
14
6637117
15
6640047
BRACKET
16
6637069
17
Выбрано товаров: 0