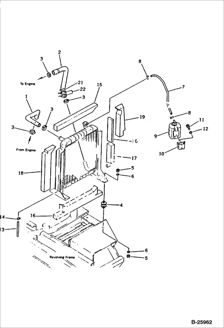
Запчасти Bobcat 130 RADIATOR MOUNT AND PIPING ENGINE RELATED PARTS AND ELECTRICAL SYSTEM

Схема запчастей Bobcat 130 - RADIATOR MOUNT AND PIPING ENGINE RELATED PARTS AND ELECTRICAL SYSTEM
FIT
1:1
100%

Артикул

Название

Примечание

Количество

1

6639010

HOSE

2

6639011

HOSE

3

6637626

CLAMP

4

6638612

CUSHION

5

6637108

NUT

6

6637157

WASHER

7

6639872

HOSE

8

6639403

CLIP

9

6639897

TANK

10

6639898

BRACKET

11

6636953

BOLT

12

6637155

WASHER

13

6639149

HOSE

14

6637615

CLAMP

15

6639017

SHEET

16

6639019

SHEET

17

6639020

SHEET

18

6639021

SHEET

19

6639022

SHEET

20

6639023

SHEET

21

SEAT Was 201-03-51320

22

6637684

BAND

Выбрано товаров: 22