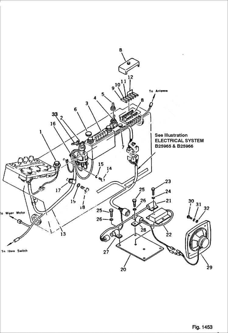
Запчасти Bobcat 130 INSTRUMENT PANEL 2/3 ENGINE RELATED PARTS AND ELECTRICAL SYSTEM

Схема запчастей Bobcat 130 - INSTRUMENT PANEL 2/3 ENGINE RELATED PARTS AND ELECTRICAL SYSTEM
FIT
1:1
100%

Артикул

Название

Примечание

Количество

1

6639159

LAMP parking brake

2

6639027

SWITCH starting

3

6637905

RADIO

4

6639154

SWITCH parking brake

5

6639156

CAP

6

6637757

CAP

7

6637755

CAP

8

6639153

BOX, FUSE

9

6637715

FUSE 40A

10

6637714

FUSE 30A

11

6637713

FUSE 20A

12

6637712

FUSE 10A

13

6645566

WIRE ASSY

14

6636952

BOLT

15

6637155

WASHER

16

6637682

BAND

17

6637689

CLIP

18

6636965

BOLT

19

6637157

WASHER

20

6639677

SHIELD

21

6639676

DIODE

22

6637907

TIMER

23

6636952

BOLT

24

6637133

WASHER

25

6636957

BOLT

26

6637156

WASHER

27

6637689

CLIP

28

6637690

CLIP

29

6637906

SPEAKER

30

6637029

SCREW

31

6637125

WASHER

32

6637143

WASHER

33

6640722

KEY

Выбрано товаров: 33