Запчасти Bobcat 130 INSTRUMENT PANEL 1/3 With Auto Deceleration For Mode Selector OLSS- except Japan ENGINE RELATED PARTS AND ELECTRICAL SYSTEM

Схема запчастей Bobcat 130 - INSTRUMENT PANEL 1/3 With Auto Deceleration For Mode Selector OLSS- except Japan ENGINE RELATED PARTS AND ELECTRICAL SYSTEM
FIT
1:1
100%

Артикул

Название

Примечание

Количество

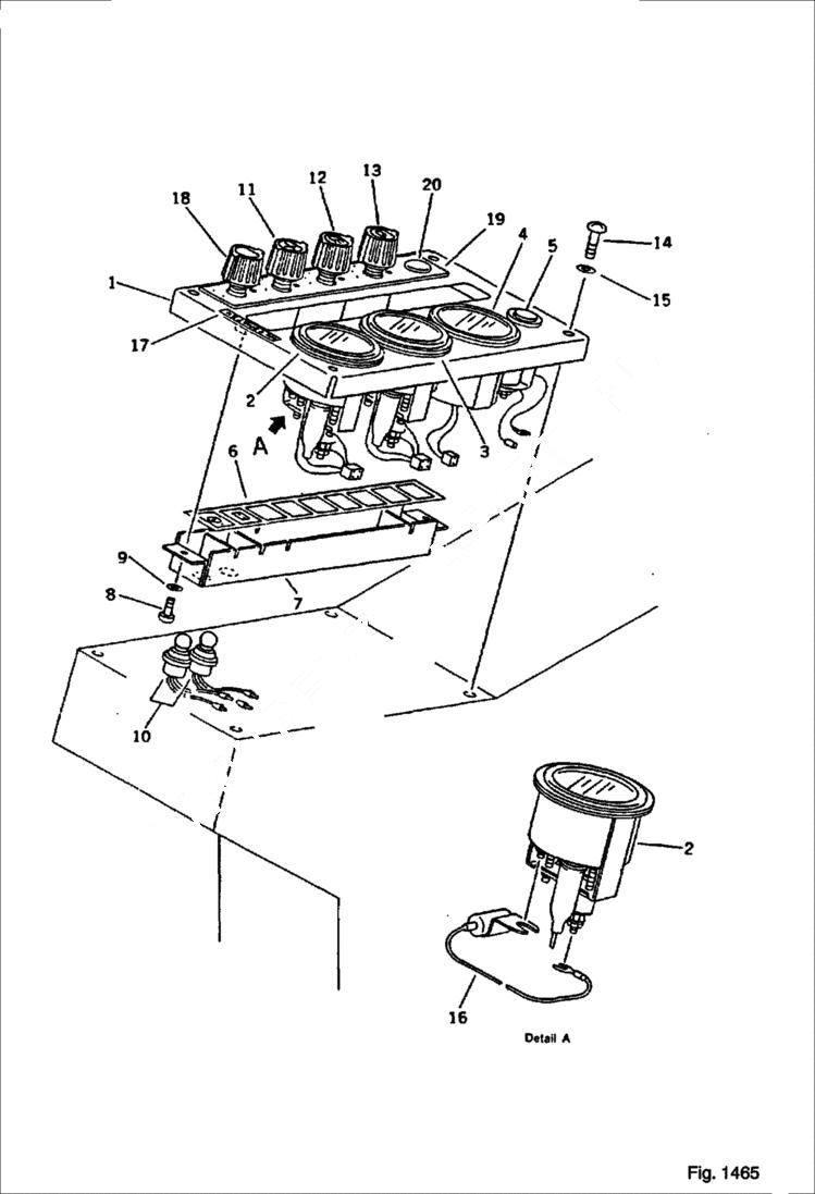
1

6639275

PANEL

2

6637884

GAUGE water temp

3

6639405

GAUGE fuel level

4

6637733

GAUGE, SE service meter

5

6639938

HEATER SI signal

6

6639276

SHIELD

7

6639675

BRACKET

8

6637024

SCREW

9

6637143

WASHER

10

6639885

LAMP ASSY

11

6639264

SWITCH heater

12

6639265

SWITCH lamp

13

6639266

SWITCH wiper

14

6639277

SCREW

15

6639278

WASHER

16

6639253

CONDENSER

17

6639251

MARK

18

6639263

SWITCH

19

6639648

SHIELD

20

6637754

CAP

Выбрано товаров: 20