Запчасти Bobcat 130 INSTRUMENT PANEL 2/3 With Auto Deceleration For Mode Selector OLSS- except Japan ENGINE RELATED PARTS AND ELECTRICAL SYSTEM

Схема запчастей Bobcat 130 - INSTRUMENT PANEL 2/3 With Auto Deceleration For Mode Selector OLSS- except Japan ENGINE RELATED PARTS AND ELECTRICAL SYSTEM
FIT
1:1
100%

Артикул

Название

Примечание

Количество

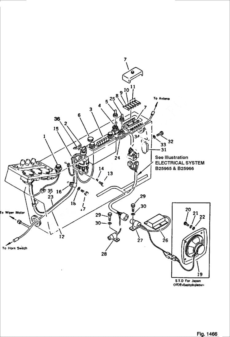
1

6639159

LAMP parking brake - Japan (std) - except Japan (op)

2

6639027

SWITCH starting - Japan (std) - except Japan (op)

3

6637905

RADIO Japan (std) - except Japan (op)

4

6639154

SWITCH parking brake - Japan (std) - except Japan (op)

5

6639156

CAP red - Japan (std) - except Japan (op)

6

6637757

CAP

7

6639153

BOX, FUSE

8

6637715

FUSE 40A

9

6637714

FUSE 30A

10

6637713

FUSE 20A

11

6637712

FUSE 10A

12

6639670

WIRE

13

6636952

BOLT

14

6637155

WASHER

15

6637682

BAND

16

6637689

CLIP

17

6636965

BOLT

18

6637157

WASHER

19

6637906

SPEAKER Japan (std) - except Japan (op)

20

6637029

SCREW Japan (std) - except Japan (op)

21

6637125

WASHER Japan (std) - except Japan (op)

22

6637143

WASHER Japan (std) - except Japan (op)

23

6639679

WIRE ASSY

24

6639161

SWITCH auto deceleration

25

6639155

CAP black

26

6639873

CONTROL box

27

6637691

CLIP

28

6637689

CLIP

29

6636957

BOLT

30

6637156

WASHER

31

6639158

RESISTOR

32

6636957

BOLT

33

6637156

WASHER

34

6637689

CLIP

35

6642980

WIRE ASSY

36

6640722

KEY

Выбрано товаров: 36